» » » Пулеметы России. Шквальный огонь - Семен Федосеев

Пулеметы России. Шквальный огонь - Семен Федосеев

Книгу Пулеметы России. Шквальный огонь - Семен Федосеев читаем онлайн бесплатно и без регистрации! Читать онлайн вы можете не только на компьютере, но и на андроид (Android), iPhone и iPad. Наслаждайтесь!

196 0 21:53, 24-05-2019
Пулеметы России. Шквальный огонь - Семен Федосеев
24 май 2019
Автор: Семен Федосеев Жанр: Книги / Историческая проза Год публикации: 2009 Возрастные ограничения: (18+) Внимание! Аудиокнига может содержать контент только для совершеннолетних.
0 0

Книга Пулеметы России. Шквальный огонь - Семен Федосеев читать онлайн бесплатно без регистрации

Трудно переоценить роль пулеметов в развитии военного дела — оборвав миллионы жизней, они навсегда изменили лицо войны. А ведь даже специалисты далеко не сразу оценили их по достоинству, поначалу рассматривая как специальное оружие с весьма узким кругом боевых задач, — так, на рубеже XIX — ХХ веков пулеметы считались всего лишь одним из видов крепостной артиллерии. Однако уже в ходе Русско-японской войны автоматический огонь доказал свою высочайшую эффективность, а в годы Первой мировой пулеметы стали одним из важнейших средств огневого поражения противника в ближнем бою, устанавливались на танках, боевых самолетах и кораблях. Автоматическое оружие произвело настоящую революцию в военном деле: шквальный пулеметный огонь буквально сметал наступающие войска, став одной из главных причин «позиционного кризиса», радикально изменив не только тактические приемы ведения боя, но и всю военную стратегию. Эта книга — самая полная и подробная на сегодняшний день энциклопедия пулеметного вооружения Русской, Советской и Российской армии с конца XIX и до начала XXI века, как отечественных моделей, так и зарубежных — покупных и трофейных. Автор, ведущий специалист по истории стрелкового оружия, не только приводит подробные описания устройства и работы станковых, ручных, единых, крупнокалиберных, танковых и авиационных пулеметов, но и рассказывает об их боевом применении во всех войнах, которые вела наша страна на протяжении бурного ХХ века.
1 ... 83 84 85 86 87 88 89 90 91 ... 143
Перейти на страницу:

Радиус рассеивания лучшей половины попаданий на дальности 100 м — 10 см при стрельбе одиночными и 15 см при стрельбе очередями.

СТАНКОВЫЕ И ЕДИНЫЕ ПУЛЕМЕТЫ И ИХ МОДИФИКАЦИИ

Станковый пулемет «Максим» обр.1910 г.

Пулеметы системы «Максим» даже формально прослужили в России полстолетия — с 1895 г., когда были закуплены первые партии, до 1945 г., т. е. конца Великой Отечественной войны. Реально они прослужили много дольше (в укрепрайонах, например). Рассмотрим наиболее распространенный образец «Максима» — станковый пулемет обр. 1910 г.

Пулемет состоял из следующих частей и механизмов: ствол; рама с механизмом запирания, барабаном, рукояткой и цепочкой; затвор (замок) с ударным механизмом, боевой личинкой, замочными и подъемными рычагами; спусковая тяга; клепаный короб с откидной крышкой; задвижки затыльника; затыльник с рукоятками управления, спусковым рычагом и предохранителем; возвратная пружина с коробкой (кожухом); приемник с механизмом подачи ленты; кожух ствола диаметром 118 мм с пароотводной и гильзоотводной трубкой, наливным и сливным отверстиями; надульник; прицельные приспособления.


Пулеметы России. Шквальный огонь

Схема устройства пулемета «Максим» обр. 1910 г.: ВГ — трубка замочных рычагов, ЕЖ — рукоятка перезаряжания (ускоритель), ЛМ — боевая личинка, НО — замочные рычаги, ПР — направляющая планка, СС — пружины для опускания боевой личинки


Пулеметы России. Шквальный огонь

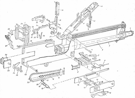
Разрез пулемета «Максим» обр. 1910 г.: 1 — ствол, 2 — станина рам, 3 — ось шатуна, 4 — шатун, 5 — мотыль, 6 — рукоятка перезаряжания (ускоритель), 7 — барабанчик, 8 и 9 — цепочка, 10 — головка рукоятки, 13 — крючок возвратной пружины, 14 — ось мотыля, 15 — трубка замочных рычагов, 18 — замок, 19 — подъемные рычаги, 20 — боевая личинка, 25 — ролик, 34 — задержка, 35 — приемник, 36 — ползун, 37 — пальцы ползуна, 40 — стенка короба, 43 — коленчатый рычаг подающего механизма, 47 — дно короба, 48 — крышка короба, 50 — направляющие планки боевой личинки, 52 — левая стенка короба, 56 — правая задвижка, 57 — коробка возвратной пружины, 58 — выступ для присоединения коробки пружины, 59 — вороток для натяжения пружины, 60 — возвратная пружина, 61 — спусковая тяга, 62 — замыкатель затыльника, 64 — трубка рукояток затыльника, 65 — деревянные рукоятки затыльника, 67 — пробка масленки, 68 — прокладка пробки, 69 — пластинчатая пружина пробки, 70 — спусковой рычаг, 66 — дно рукоятки (масленки), 72 — угольник для скрепления стенок короба, 73 — предохранитель, 75 — пружина предохранителя, 76 — ось крышки, 77 — защелки крышки короба, 78 — пружина защелки, 79 — винт защелки, 80 — гнеток защелки, 81 — пружины для опускания боевой личинки, 82 — пресс, 83 — основание стойки прицела, 84 — пружина стойки, 85 — гнеток стойки, 86 — головка гнетка, 87 — крышки кожуха, 88 — кожух, 89 — дно кожуха, 90 — надульник, 91 — втулка надульника, 92 — колпачок, 93 — цепочка колпачка, 95 — направляющий вкладыш для удобства вставления ствола в кожух, 96 — пробка наливного отверстия, 91 — пробка выливного отверстия, 99 — пароотводная трубка, 100 — пароотводное отверстие, 101 — подвижная трубка, 102 — задний конец трубки пароотводного приспособления, 103 — вкладыш, 104 — головка трубки, 105 — контрвинт, 112 — отверстие трубки, 113 — выводная трубка для гильз, 114 — горбатая пружина, 115 — фиксатор гильз, 123 — маховичок, 126 — тормоз, 128 — мушка, 129 — основание мушки


Пулеметы России. Шквальный огонь

Детали и сборки пулемета «Максим»: 1 — надульник — усилитель отдачи, 2 — кожух радиатора, 3 — ствол, 4 — ось крышки, 5 и 7 — рычаг привода и ползун подачи, 6 и 9 — подающие и фиксирующие пальцы, 8 — корпус приемника, 10 — мотыль, 11 и 14 — короткая и длинная стенки рамы, 12 — рукоятка перезаряжания (ускоритель), 13 — кривошип, 15 — регулировочный винт возвратной пружины,16 — возвратная пружина, 17 — зацеп пружины, 18 — серьга, 19 и 20 — передающая цепь, 21 — кожух возвратного механизма, 22 — короб пулемета, 23 — ролик рукоятки, 24 — противоотскочная защелка, 25 и 26 — задвижки короба, 27 и 30 — спусковые рычаг и тяга, 28 — предохранитель, 29 — затыльник, 31 — лодыжка, 32 — шептало, 33 — ударник, 34 — автоспуск, 35 — шатун, 36 — боевая пружина, 37 — подъемные рычаги, 38 — затвор (замок), 39 — личинка затвора, 40 — крышка короба, 41 — пружины личинки, 42 — стойка прицела, 43 — защелка крышки

Автоматика действовала по схеме отдачи ствола с коротким ходом. Запирание канала ствола производилось системой из двух шарнирно сочлененных рычагов, передний из которых (шатун) был связан плоским шарниром с затвором (замком), а задний (мотыль) так же шарнирно крепился в задней части рамы, то есть рама играла роль ствольной коробки. На правый конец оси мотыля надевалась качающаяся рукоятка, на левый — барабан (эксцентрик) с цепочкой типа Галля. Цепочка была соединена с возвратной пружиной, крепившейся в отдельной коробке на левой стенке короба пулемета (из-за чего пружина иногда именовалась «боковой»). В замке был смонтирован ударник с двуперой пластинчатой боевой пружиной. Боевая личинка вертикально скользила в пазах замка, имела захваты для удержания гильзы и отверстие для прохода бойка, так что выстрел был возможен только при определенном положении личинки. Ударник взводился коленчатой лодыжкой и захватывался верхним предохранительным спуском, а лодыжка своим боевым взводом вставала на нижний спуск.

Спусковой рычаг в форме клавиши располагался между рукоятками управления и удерживался предохранителем. При стрельбе пулемет удерживался обеими руками.

Питание патронами — из холщовой ленты, механизм подачи ленты — ползунковый.

Для заряжания пулемета необходимо было: вставить холщовую патронную ленту наконечником в приемник справа и продернуть ее до отказа справа налево; за рукоятку перезаряжания взвести замок, продернуть вновь ленту до отказа и отпустить рукоятку; повторить эту операцию еще раз. Теперь патрон находился в патроннике, канал ствола был заперт замком, ударник удерживался на боевом взводе, автоспуск выключен.

1 ... 83 84 85 86 87 88 89 90 91 ... 143
Перейти на страницу:
  1. Жалоба
Отзывы - 0

Прочитали книгу? Предлагаем вам поделится своим впечатлением! Ваш отзыв будет полезен читателям, которые еще только собираются познакомиться с произведением.


Уважаемые читатели, слушатели и просто посетители нашей библиотеки! Просим Вас придерживаться определенных правил при комментировании литературных произведений.

Просьба отказаться от дискриминационных высказываний. Мы защищаем право наших читателей свободно выражать свою точку зрения. Вместе с тем мы не терпим агрессии. На сайте запрещено оставлять комментарий, который содержит унизительные высказывания или призывы к насилию по отношению к отдельным лицам или группам людей на основании их расы, этнического происхождения, вероисповедания, недееспособности, пола, возраста, статуса ветерана, касты или сексуальной ориентации. Просьба отказаться от оскорблений, угроз и запугиваний. Просьба отказаться от нецензурной лексики. Просьба вести себя максимально корректно как по отношению к авторам, так и по отношению к другим читателям и их комментариям.

Надеемся на Ваше понимание и благоразумие. С уважением, администратор My-Books.me.


Новые отзывы

  1. Александра Александра15 январь 09:37 Очень интересная книга! Особенно, если любишь психологию и хочешь понимать себя и других. Обязательно послушаю до конца. Спасибо.... Кригер Борис – Гнев
  2. Галина Галина25 май 13:02 Очень уважаю Артема Шейнина, книга замечательная, очень мне близкая по духу.Перечитываю уже второй раз, столько пережитого и не... Мне повезло вернуться - Артем Шейнин
  3. Екатерина Екатерина11 январь 08:05 Доброе утро. Подскажите пожалуйста как сохранять книги, ставить закладки?... Подонок - Анастасия Леманн
Все комметарии
Новинки бесплатной онлайн библиотеки