Focke Wulf FW190 A/F/G. Часть 2 - Сергей В. Иванов
Книгу Focke Wulf FW190 A/F/G. Часть 2 - Сергей В. Иванов читаем онлайн бесплатно и без регистрации! Читать онлайн вы можете не только на компьютере, но и на андроид (Android), iPhone и iPad. Наслаждайтесь!
157 0 16:39, 25-05-2019Книга Focke Wulf FW190 A/F/G. Часть 2 - Сергей В. Иванов читать онлайн бесплатно без регистрации
Электрическое оборудование одножильное, напряжением 24 В. Источником тока служил генератор «Бош» мощностью 2000 Вт, отбиравший мощность на вале двигателя, а также аккумуляторная батарея емкостью 20 Ач, установленная в фюзеляже за креслом пилота. Все цепи имели автоматические предохранители, большинство из которых было сгруппировано на правой консоли в кабине пилота.

Fw 190А-0 с бомбодержателем ЕТС 501 и адаптером ER 4.

Fw 190A-0/U4 с батареей бомбодержателей под фюзеляжем.
Пулеметно-пушечное вооружение в стандартном варианте состояло из двух пулеметов «Рейнметалл-Борзиг» MG 131 калибра 13 мм (боекомплект 400 выстрелов на ствол) и четырех пушек «Маузер» MG 151/20Е калибра 20 мм в крыльях (боекомплект по 250 выстрелов на ствол у пушек у основания крыла и по 125 выстрелов на ствол у пушек в консолях крыла). Пулеметы и внутренняя пара пушек были синхронизированы, так как вели огонь через диск винта. Спуск и перезарядка оружия осуществлялась электрически. Для прицела использовался колиматорный прицел Revi 16B.
Кроме того, пулеметно-пушечное во-.] моле'1 а могло быть усилено за счет комплектов Ruestsatz.
Бомбовое вооружение. Хотя самолет ЮА-8 представлял собой истребите», его стандартно оснащали бомбодержателем ETC 501. установленным под фюзеляжем. Этот бомбодержатель обычно использовался для подвески дополнительного бензобака, но при необходимости самолет мог брать на бомбодержатель до 500 кг бомб.
Бомбодержатель ETC 501 с замком Schloss 500/XII позволял подвешивать груз до 500 кг (300-литровый бензобак, бомбы массой 250 или 500 кг или четыре 50-кг бомбы через адаптер ER 4). Адаптер ER 4 существовал в двух модификациях: стандартной с четырьмя замками ETC 50B-1 и упрощенной с четырьмя замками 50L-2 (выигрыш в массе 32 кг).
Для обслуживания бомбового вооружения использовался переключатель ZSK 244A, обслуживающий бомбодержатель и приводящий взрыватели бомб в боевое положение. С переключателем была соединена батарея ZBK 241/1, установленная за креслом пилота.

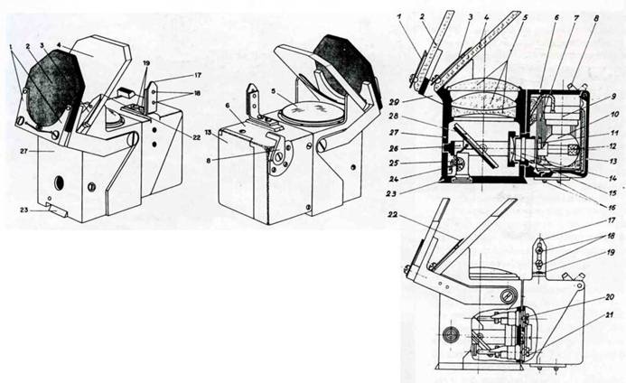
Колиматорный прицел Revi 16В. 1. Пружина передней стеклянной пластины. 2. Затемненная пластинка. 3. Пружина преломляющей пластины. 4. Преломляющая пластина. 5. Литы объектива. 6. Кожух лампы подсветки. 7. Реостат системы затемнения. 8. Переключатель затемнения. 9. Держатель лампочки. 10. Лампочка. 11. Ночной фильтр. 12. Переключатель фильтра. 13. Крышка камеры подсветки. 14. Стеклянная пластина. 15. Линза окуляра. 16. Пружинные контакты. 17. Мушка прицела. 18. Винт регулировки в вертикальной плоскости. 19. Винт регулировки в горизонтальной плоскости. 20. Винт регулировки в горизонтальной плоскости. 21. Винт регулировки в вертикальной плоскости. 22. Целик. 23. Основание. 24. Гигроскопическая капсула. 25. Регулирующая пружина. 26. Шарнирное крепление. 27. Линзовая камера. 28. Зеркало. 29. Плечо держателя затемненного стекла.
ТТХ
| Fw 190 V1 | Fw 190 V5k | Fw 190 V5g | Fw 190 A-1 | Fw 190 A-3 | ||
| Размеры: | ||||||
| размах | mm | 9515 | 9515 | 10506 | 10506 | 10506 |
| длина | mm | 8850 | 8950 | 8950 | 8950 | 8950 |
| высота | mm | 3500 | 3950 | 3950 | 3950 | 3950 |
| площадь крыла | m² | 14,88 | 15,0 | 18,30 | 18,30 | 18,30 |
| Масса: | ||||||
| пустого | kg | 2310 | 2564 | 2737 | 2520 | 2845 |
| максимальная | kg | 3100 | 3200 | 3400 | 3500 | 3995 |
| Скорость макс. | km/h | 595 | 602 | 590 | 590 | 660 |
| на высоте | m | 4500 | 4500 | 4500 | X | X |
| потолок | m | 8600 | 9600 | 11400 | 9600 | 10600 |
| дальность | km | 750 | 1100 | 1080 | 1030 | 800 |
| Двигатель | BMW 139 | BMW 801 C-0 | BMW 801 C-0 | BMW 801 C-1 | BMW 801 D-2 | |
| мощность | kW/л. c. | 1140/1550 | 1147/1560 | 1147/1560 | 1147/1560 | 1272/1730 |
Прочитали книгу? Предлагаем вам поделится своим впечатлением! Ваш отзыв будет полезен читателям, которые еще только собираются познакомиться с произведением.
Уважаемые читатели, слушатели и просто посетители нашей библиотеки! Просим Вас придерживаться определенных правил при комментировании литературных произведений.
Просьба отказаться от дискриминационных высказываний. Мы защищаем право наших читателей свободно выражать свою точку зрения. Вместе с тем мы не терпим агрессии. На сайте запрещено оставлять комментарий, который содержит унизительные высказывания или призывы к насилию по отношению к отдельным лицам или группам людей на основании их расы, этнического происхождения, вероисповедания, недееспособности, пола, возраста, статуса ветерана, касты или сексуальной ориентации. Просьба отказаться от оскорблений, угроз и запугиваний. Просьба отказаться от нецензурной лексики. Просьба вести себя максимально корректно как по отношению к авторам, так и по отношению к другим читателям и их комментариям.
Надеемся на Ваше понимание и благоразумие. С уважением, администратор My-Books.me.
Оставить комментарий
-
Александра15 январь 09:37
Очень интересная книга! Особенно, если любишь психологию и хочешь понимать себя и других. Обязательно послушаю до конца. Спасибо....
Кригер Борис – Гнев
-
Галина25 май 13:02
Очень уважаю Артема Шейнина, книга замечательная, очень мне близкая по духу.Перечитываю уже второй раз, столько пережитого и не...
Мне повезло вернуться - Артем Шейнин
-
Екатерина11 январь 08:05
Доброе утро. Подскажите пожалуйста как сохранять книги, ставить закладки?...
Подонок - Анастасия Леманн