Focke Wulf FW190 A/F/G. Часть 2 - Сергей В. Иванов
Книгу Focke Wulf FW190 A/F/G. Часть 2 - Сергей В. Иванов читаем онлайн бесплатно и без регистрации! Читать онлайн вы можете не только на компьютере, но и на андроид (Android), iPhone и iPad. Наслаждайтесь!
156 0 16:39, 25-05-2019Книга Focke Wulf FW190 A/F/G. Часть 2 - Сергей В. Иванов читать онлайн бесплатно без регистрации

Пушки MG 151/20Е вместо MG FF впервые появились па самолетах серии А-6.

Схема расположения комплектов Ruestsatz R1, R2 и R4 ни А-6.

Схема вооружения на самолете Fw 190F-8/RI. На бомбодержателе ЕТС 501 под фюзеляжем на адаптере ER 4 подвешены четыре 50-кг бомбы. Под крыльями четыре бомбодержателя ЕТС 50 или ЕТС 71. В результате самолет мог нести до восьми бомб массой 50 или 70 кг.

Планируемая схема вооружения и оснащения самолета F-15/R1. Бомбодержатель ЕТС 501 под фюзеляжем заменили бомбодержателем ЕТС 504. Самолет также оснащен радиостанцией FuG 15. На рисунке изображены бомбодержатели ЕТС 71 под левым крылом. В действительности, держатели обязательно ставили симметрично на оба крыла.

На самолетах серии А-7 пулеметы MG 17 под капотом заменили крупнокалиберными пулеметами MG 131.

Fw 190A-6/R3, вооруженный двумя 30-мм пушками МК 103.

Fw 190A-5/U11, W.Nr. 151303, RG+ZA — протопит Ruestsatz 3.

Ruestsatz. 1 для Fw 190A — гондола И В 151/20 с двумя пушкеиш MG 151/20 Е.

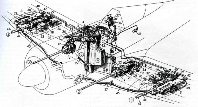
Схема пулеметно-пушечного вооружения самолетов Fw 190A-7/R2, A-8/R2 и A-9/R2. 1. Пулеметы MG 131. 2. Пушки MG 15I/20Eу основания крыльев. 3. Пушки МК 108 калибра 30 мм в консолях крыльев. 4. Станок пулемета. 5. Основание станка. 6. Передняя маска. 7. Подача ленты. 8. Отражатели стреляных гилы и звеньев ленты. 9. Боекомплект для MG 131. 10. Крепления патронных коробок. 11. Сброс стреляных гильз и звеньев лент. 12. Синхронизатор для MG 131. 13. Воздуховоды, подающие холодный воздух на кожухи пулеметов. 14. Электрический разделитель. 15. Ручка перезарядки MG 131. 16. Счетчик расхода боеприпасов. 17. Прицел Revi 16В. 18. Рукоятка KG 13В ручки управления с кнопками спуска. 19. Передняя маска пушки MG 151Г20Е. 20. Задняя маска. 21. Основание задней маски. 22. Подача лепты. 23. Сброс стреляных гильз и звеньев ленты. 24. Боекомплект для пушек MG 151/20Е. 25. Синхронизатор для MG 151/20Е. 26. Ручка перезарядки пушек MG 151/20Е. 27. Гнездо системы наведения пушки. 28. Передняя маска пушки МК 108. 29. Задняя маска. 30. Боекомплект для МК 108. 31. Подача ленты. 32. Подача ленты. 33. Сброс стреляных гильз и звеньев ленты. 34. Ручка перезарядки пушек МК 108. 35. Преобразователь спуска МК 108. 36. Баллоны сжатого воздуха с редукторами. 37. Электропневматический клапан перезарядки. 38. Электропневматический клапан спуска. 39. Передача сжатого воздуха. 40. Передача сжатого воздуха. 41. Наружный клапан для наполнения баллонов со сжатым воздухом. 42. Задний держатель коробки с боекомплектом для МК 108. 43. Кожух ствола МК 108. 44. Окантовка на передней кромке крыла. 45. Воздуховод системы обогрева пушки.

Схема электрооборудования пулеметно-пушечного вооружения ни Fw 190А-7, А-8 и А-9. 1. Пулемет MG 131. 2. Внутренняя пушка MG I5I/20E. 3. Наружная пушка MG 151/20Е. 4. Синхронизатор для MG 131. 5. Разделитель для MG 131. 6. Ручка перезарядки MG 131. 7. Катушки зажигания для спуска MG 131. 8. Электрическая цепь MG 131. 9. Цепь высокого напряжения для спуска MG 131. 10. Контрольные лампочки для перезарядки MG 131. 11. Синхронизатор пушек. 12. Разделитель внутренней пары пушек. 13. Ручка перезарядки внутренней пары пушек. 14. Катушки зажигания системы спуска MG 151/20Е. 15. Электрическая цепь внутренней пары пушек. 16. Цепь высокого напряжения для спуска MG 151/20Е. 17. Разделитель наружной пары пушек. 18. Ручка перезарядки наружной пары пушек. 19. Трансформатор высокого напряжения для спуска вооружения. 20. Электроцепи наружной пары пушек. 21. Цепь высокого напряжения наружной пары пушек. 22. Контакт. 23. Разъемы на стыке крыло-фюзеляж. 24. Прицел Revi 16В. 25. Указатели расходов боеприпасов. 26. Кнопка спуски пулеметов и внутренней пары пушек. 27. Кнопка спуска наружной пары пушек. 28. Электрические разъемы. 29. Розетка и угловая вилки. 30. Штекер. 31. Штекер.

Летом 1943 года на полигоне в Тарневице проходили испытания самолета Fw 190А-3/U2, IV. Nr, 130386, вооруженного ракетами RZ 65, установленными по три в каждом крыле. На нижней поверхности крыла видны отверстия, через которых выходили газы ракет.

Ruestsatz 6 — труба-направляющая для ракеты W. Gr. 21. После пуска ракеты труба сбрасывалась. 1. Труба. 2. Гак с защелкой. 3. Распорка. 4. Отделяемый зацеп. 5. Нервюра Ле 8. 6. Боковые подпорки. 7. Разделительная коробка SVK 2-151/131Е. 8. Ручка управления в кабине пилота. 9. Переключатель вооружения. 10. Электрический разъем Р803. 11. Штекер R8. 12. Контрольная панель вооружения. 13. Электрические разъемы на стыке крыло- фюзеляж. 14. Контакт. 15. Электрический разъем Р812/Р813. 16. Нервюра № 7. 18. Переключатель вооружения Р801. 18. Кожухи электрических кабелей. 19. Электрические разъемы P8I4/P815.

Fw 190, оснащенный специальным держателем (возможно, это модифицированный ЕТС 503) для управляемой по проводам ракеты класса «воздух-воздух» «Руршталь Х-4». Ракета массой около 60 кг оснащалась жидкотопливным двигателем. Дальность полета до 3000 м. Виден управляющий провод, выходящий на конце стабилизатора ракеты и входящий в хвостовую часть самолета.
Прочитали книгу? Предлагаем вам поделится своим впечатлением! Ваш отзыв будет полезен читателям, которые еще только собираются познакомиться с произведением.
Уважаемые читатели, слушатели и просто посетители нашей библиотеки! Просим Вас придерживаться определенных правил при комментировании литературных произведений.
Просьба отказаться от дискриминационных высказываний. Мы защищаем право наших читателей свободно выражать свою точку зрения. Вместе с тем мы не терпим агрессии. На сайте запрещено оставлять комментарий, который содержит унизительные высказывания или призывы к насилию по отношению к отдельным лицам или группам людей на основании их расы, этнического происхождения, вероисповедания, недееспособности, пола, возраста, статуса ветерана, касты или сексуальной ориентации. Просьба отказаться от оскорблений, угроз и запугиваний. Просьба отказаться от нецензурной лексики. Просьба вести себя максимально корректно как по отношению к авторам, так и по отношению к другим читателям и их комментариям.
Надеемся на Ваше понимание и благоразумие. С уважением, администратор My-Books.me.
Оставить комментарий
-
Александра15 январь 09:37
Очень интересная книга! Особенно, если любишь психологию и хочешь понимать себя и других. Обязательно послушаю до конца. Спасибо....
Кригер Борис – Гнев
-
Галина25 май 13:02
Очень уважаю Артема Шейнина, книга замечательная, очень мне близкая по духу.Перечитываю уже второй раз, столько пережитого и не...
Мне повезло вернуться - Артем Шейнин
-
Екатерина11 январь 08:05
Доброе утро. Подскажите пожалуйста как сохранять книги, ставить закладки?...
Подонок - Анастасия Леманн