Сварочные работы. Практический справочник - Сергей Кашин
Книгу Сварочные работы. Практический справочник - Сергей Кашин читаем онлайн бесплатно и без регистрации! Читать онлайн вы можете не только на компьютере, но и на андроид (Android), iPhone и iPad. Наслаждайтесь!
160 0 12:57, 13-05-2019Книга Сварочные работы. Практический справочник - Сергей Кашин читать онлайн бесплатно без регистрации
Для сравнения трансформаторы различных марок представлены в табл. 19.
Таблица 19
Технические характеристики сварочных трансформаторов различных марок


Для автоматической сварки под флюсом применяются трансформаторы марок ТДФ-1001 и ТДФ-1601, характеристика параметров одного из которых представлена в табл. 20.
Таблица 20
Техническая характеристика сварочного трансформатора тдф-1001


Для обеспечения эффективной и бесперебойной работы трансформаторов их необходимо правильно эксплуатировать. Перед этим надо внимательно осмотреть и заземлить устройство, проконтролировать обмотки на предмет обрыва и проверить изоляцию обмоток от корпуса, а при обнаружении механических повреждений устранить их.
Если предполагается вести работы на открытом воздухе, следует позаботиться о защите трансформатора от осадков, поскольку отсыревшая изоляция может быть пробита. Тогда замыкания между витками не избежать.
Во время работы нельзя допускать перегрева трансформатора, что негативно отразится на состоянии изоляции обмоток. Для недопущения этого не следует размещать трансформатор рядом с источниками тепла. Кроме того, надо регулярно очищать контакты от грязи, которая может препятствовать охлаждению рабочих частей устройства.
2. От источников постоянного тока работают сварочные преобразователи, составляющими которых являются сварочный генератор и привод (электродвигатель), смонтированные на одном валу. Электрическая энергия, вырабатываемая двигателем (на них обычно устанавливают асинхронные трехфазные двигатели), преобразуется в механическую, под воздействием которой якорь генератора вращается и вырабатывает сварочный ток с соответствующими параметрами. Сварочные преобразователи бывают стационарными и мобильными.
Если вместо электродвигателя устанавливают двигатель внутреннего сгорания (ДВС), тогда такой преобразователь называется агрегатом. При этом двигатель должен иметь мощность, как минимум, 30 л. с.
В среднем для осуществления сварки требуется 5–6 кг горючего в час.
Сварочные агрегаты используются для работы в полевых условиях или в том случае, когда в электрической сети наблюдаются резкие колебания напряжения.
Генератор и ДВС монтируются на общей раме (например, ПАС-400-VIII), которая может снабжаться снабжается колесами. Его можно установить, например, в кузове машины, на тракторе (например, сварочный агрегат СДУ-2). Ток, полученный от сварочного генератора, обходится дороже (например, расход электроэнергии при ручной дуговой сварке от сварочного преобразователя или агрегата составляет 7–8 кВт/ч на 1 кг наплавленного металла, а КПД в среднем равен 0,4–0,5 % из-за значительных потерь на холостом ходу; расход энергии у сварочных трансформаторов – 3,5–4,25 кВт на 1 кг наплавленного металла, а КПД – 0,6–0,7 %), чем тот, что дают сварочные трансформаторы, выпрямители. Поэтому целесообразно и экономически более выгодно применять агрегат в тех случаях, когда нет электрической сети.
Именно поэтому до сих пор разработчики совершенствуют бензиновые (АДБ) и дизельные (АДД) сварочные агрегаты.
Преобразовали и агрегаты имеют конструктивно схожие генераторы. Сварочный генератор – это прибор, вырабатывающий за счет собственной внешней характеристики (для этого в зависимости от сварочного тока в генераторе меняется магнитный поток) постоянный ток, необходимый для стабильного горения сварочной дуги. Чаще всего встречаются генераторы с падающей внешней характеристикой, которые применяются для ручной дуговой сварки и автоматической сварки под флюсом. Для регулировки сварочного тока генератор оснащается специальным устройством.
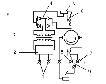
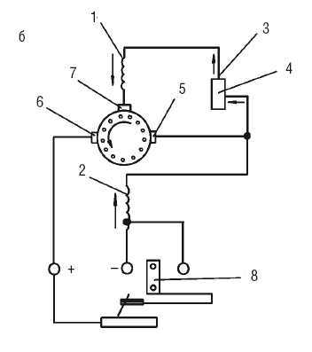
В основу конструкции сварочных генераторов положена одна из двух систем (ранее было большое количество конструктивно различных электромагнитных систем) (рис. 36):
✓ с независимым возбуждением и последовательной размагничивающей обмоткой в сварочной цепи. Независимая обмотка работает от сети переменного тока и подключена через понижающий трансформатор. Благодаря выпрямителю возникает магнитный поток, который возбуждает требующееся для загорания сварочной дуги напряжение на щетках. Регулировка тока осуществляется путем переключения перемычки числа витков обмотки. В пределах диапазонов малых и больших токов сварочный ток корректируется реостатом. Представленная на рис. 36 схема реализовывалась в генераторе ГСО-500, который устанавливался на преобразователе ПСО-500. В последнее время генераторы данной конструкции почти не производятся;
✓ с самовозбуждением с намагничивающей параллельной и размагничивающей последовательной обмотками, например ПСО-300 М, С-300–1 и др. На полюсах генератора находятся две обмотки – намагничивающая и размагничивающая. В первой ток создает генератор с помощью третьей щетки (на рис. 36 она обозначена цифрой 6), которая устанавливается на коллекторе между основными щетками (цифры 5 и 7). Падающая внешняя характеристика возникает благодаря встречному включению обмоток. Для регулировки тока используется реостат со ступенчатым переключателем.

Рис. 36. Электрическая схема генератора: а – с независимым возбуждением: 1 – сеть; 2 – стабилизатор напряжения; 3 – понижающий трансформатор; 4 – селеновый выпрямитель; 5 – реостат; 6 – намагничивающий магнитный поток; 7 – диапазон больших токов; 8 – диапазон малых токов; 9 – перемычка

Рис. 36 (окончание). Электрическая схема генератора: б – с самовозбуждением: 1 – намагничивающий магнитный поток; 2 – размагничивающий магнитный поток; 3 – ток намагничивающей обмотки; 4 – реостат; 5, 6, 7 – щетки на коллекторе якоря генератора; 8 – перемычка
Основные технические данные преобразователей различных типов представлены в табл. 21.
Как и за трансформаторами, за сварочными преобразователями необходимо правильно ухаживать, чтобы продлить срок их службы. Их следует защищать от атмосферных осадков, но при этом следить за тем, чтобы охлаждение устройства не страдало, иначе не избежать перегрева обмоток. Особое внимание уделяют таким его частям, как коллектор, щетки, щеткодержатели и подшипники. Их содержат в чистоте, систематически удаляют нагар и осматривают, а изношенные детали заменяют.
Прочитали книгу? Предлагаем вам поделится своим впечатлением! Ваш отзыв будет полезен читателям, которые еще только собираются познакомиться с произведением.
Уважаемые читатели, слушатели и просто посетители нашей библиотеки! Просим Вас придерживаться определенных правил при комментировании литературных произведений.
Просьба отказаться от дискриминационных высказываний. Мы защищаем право наших читателей свободно выражать свою точку зрения. Вместе с тем мы не терпим агрессии. На сайте запрещено оставлять комментарий, который содержит унизительные высказывания или призывы к насилию по отношению к отдельным лицам или группам людей на основании их расы, этнического происхождения, вероисповедания, недееспособности, пола, возраста, статуса ветерана, касты или сексуальной ориентации. Просьба отказаться от оскорблений, угроз и запугиваний. Просьба отказаться от нецензурной лексики. Просьба вести себя максимально корректно как по отношению к авторам, так и по отношению к другим читателям и их комментариям.
Надеемся на Ваше понимание и благоразумие. С уважением, администратор My-Books.me.
Оставить комментарий
-
Александра15 январь 09:37
Очень интересная книга! Особенно, если любишь психологию и хочешь понимать себя и других. Обязательно послушаю до конца. Спасибо....
Кригер Борис – Гнев
-
Галина25 май 13:02
Очень уважаю Артема Шейнина, книга замечательная, очень мне близкая по духу.Перечитываю уже второй раз, столько пережитого и не...
Мне повезло вернуться - Артем Шейнин
-
Екатерина11 январь 08:05
Доброе утро. Подскажите пожалуйста как сохранять книги, ставить закладки?...
Подонок - Анастасия Леманн