Люди, которые играют в игры - Эрик Берн
Книгу Люди, которые играют в игры - Эрик Берн читаем онлайн бесплатно и без регистрации! Читать онлайн вы можете не только на компьютере, но и на андроид (Android), iPhone и iPad. Наслаждайтесь!
555 0 01:09, 07-05-2019Книга Люди, которые играют в игры - Эрик Берн читать онлайн бесплатно без регистрации
Схема 1а дает представление о целостной структуре личностилюбого человека, отображая все, что он может чувствовать, думать, говорить илиделать. (Более упрощенная форма дана на схеме 1б.) Углубленный анализ не выявитновых состояний Я, он даст лишь более детальные членения первичных состояний.Очевидно, внимательный поиск обнаружит в большинстве случаев два Родительскихкомпонента: один — ведущий происхождение от отца, другой — от матери. Анализтакже откроет внутри детского состояния Я компоненты Родителя, Взрослого иРебенка, которые уже были налицо, когда фиксировался Ребенок, чему можно найтиподтверждение, наблюдая детей. Результаты этого вторичного анализа представленына схеме 1в. Отделение одной модели чувствования и деятельности от другой приопределении состояний Я мы называем структурным анализом. В тексте состояния Ябудут обозначаться так же, как и в предыдущих схемах: родитель (Р), Взрослый(В) и Ребенок (Ре), все с заглавной буквы (напомним, что родитель, взрослый иребенок со строчной буквы будут относиться к реальным людям).

Схема 1. Структурная диаграмма личности
Мы используем также и описательные термины, которые илипонятны сами по себе, или будут объяснены в дальнейшем.
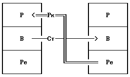
Когда встречаются два человека, во взаимодействие включаютсяшесть состояний их Я (по три в каждом из них, что отражено на схеме 2а).Поскольку состояния Я так же отличаются друг от друга, как и все люди, то важнопонять, какое из состояний то время этой встречи активизировано в каждой изличностей и как эти состояния взаимодействуют. Происходящее можно изобразить насхеме в виде стрелок, связывающих двух людей. В простейших трансакциях(взаимодействиях) стрелки параллельны. Они называются дополнительнымитрансакциями. Ясно, что могут существовать девять типов дополнительныхтрансакций (РР, РВ, РРе, РеР, РеВ, РеРе), как это показано на схеме 2б. Насхеме 2 а в качестве примера дается трансакция РРе между супругами, где стимулнаправлен от Родительского состояния Я мужа к Детскому состоянию Я жены, ареакция, наоборот, — от Ребенка к Родителю. В идеальном случае это муж,проявляющий отеческую заботу о жене, за что она ему весьма благодарна. Покатрансакция остается дополнительной, коммуникация развивается неограниченно.

Схема 2а. Дополнительные трансакции РРе-РеР

Схема 2б. Диаграмма девяти типов дополнительных трансакций
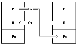
На схемах 3а,б отражена иная ситуация. На схеме 3а обозначенстимул от Взрослого к Взрослому (ВВ). Требование предоставить информациюполучает отклик от Ребенка к Родителю (РеР), в результате чего стрелки стимулаи реакции вместо того, чтобы идти параллельно, пересекаются. Трансакции этоготипа называются пересекающимися. В этом случае коммуникация нарушена. Например,муж задает вопрос, требующий ответа по существу: «Где мои тапочки?», а жена возмущенноотвечает: «Почему я во всем всегда виновата?» — здесь имеет место именнопересекающаяся трансакция. Чаще всего разговор о тапочках на этом прекращается.Это пересекающаяся трансакция первого типа, представляющая собой обычную формуреакции переноса, которая происходит и в психотерапии. Именно этот типтрансакции, на наш взгляд, порождает большинство жизненных проблем. На схеме 3бизображена пересекающаяся трансакция второго типа, где стимул от Взрослого кВзрослому (например, вопрос) вызывает покровительственную или как бы«величавую» реакцию от Родителя к Ребенку. Это один из самых распространенныхтипов реакции контрпереноса. Одновременно, это самая распространенная причинаразрывов человеческих взаимоотношений как личных, так и общественных, в томчисле и политических.
При внимательном рассмотрении схемы 2б можно увидеть, чтовозможны семьдесят два типа пересекающихся трансакций (9Х9=81 комбинаций минусдевять дополнительных). Но, к счастью, лишь четыре из них встречаются настолькочасто, что привлекают внимание как психотерапевтов, так и многих людей в ихповседневной жизни. Это первый тип (ВВ-РеР) и реакция перенесения, второй тип(ВВ — РРе) и реакция контрперенесения, а также существует третий тип (РеР — ВВ)— «раздражительная реакция», когда человек, ищущий сочувствия, обретает вместоэтого голые факты. И четвертый тип (РРе — ВВ) — «дерзости», когда вместопослушания реагирующий демонстрирует «наглую самоуверенность», апеллируя кфактам.
Дополнительная и пересекающаяся — это простейшие, одноуровневыетрансакции. Существует также два типа двухуровневых трансакций — угловая идвойная. На схеме 4а изображена угловая трансакция, при которой стимул выглядиткак направленный от Взрослого к Взрослому (например, разумное на первый взглядпредложение торговой сделки), тогда как на самом деле он апеллирует к иному —Родительскому или Детскому — состоянию Я своего респондента. Здесь сплошнаялиния (ВВ) показывает социальный, или явный, уровень трансакции, тогда какпунктиром обозначен психологический, или скрытый, уровень. Если изображеннаяздесь угловая трансакция окажется успешной, то реакция будет идти не отВзрослого к Взрослому, а от Ребенка к Взрослому. Если реакция не удастся, тоВзрослый респондента сохранит контроль над ситуацией и реакция будет реакциейВзрослого, а не Ребенка. Рассмотрение различных способов включения егосостояний (схемы 4а и 2б) позволяет обнаружить восемнадцать типов успешныхугловых трансакций, где реакция идет по пунктирной линии, и каждому из этихтипов соответствует неуспешная трансакция с реакцией, параллельной сплошнойлинии.

Схема 3а. Пересекающиеся трансакции первого типа ВВ-РеР

Схема 3б. Пересекающиеся трансакции второго типа ВВ-РРе

Схема 4а. Успешная угловая трансакция (ВВ+ВРе) (РеВ)

Схема 4б. Двойная трансакция (ВВ-ВВ) (РеРе-РеРе)
Прочитали книгу? Предлагаем вам поделится своим впечатлением! Ваш отзыв будет полезен читателям, которые еще только собираются познакомиться с произведением.
Уважаемые читатели, слушатели и просто посетители нашей библиотеки! Просим Вас придерживаться определенных правил при комментировании литературных произведений.
Просьба отказаться от дискриминационных высказываний. Мы защищаем право наших читателей свободно выражать свою точку зрения. Вместе с тем мы не терпим агрессии. На сайте запрещено оставлять комментарий, который содержит унизительные высказывания или призывы к насилию по отношению к отдельным лицам или группам людей на основании их расы, этнического происхождения, вероисповедания, недееспособности, пола, возраста, статуса ветерана, касты или сексуальной ориентации. Просьба отказаться от оскорблений, угроз и запугиваний. Просьба отказаться от нецензурной лексики. Просьба вести себя максимально корректно как по отношению к авторам, так и по отношению к другим читателям и их комментариям.
Надеемся на Ваше понимание и благоразумие. С уважением, администратор My-Books.me.
Оставить комментарий
-
Александра15 январь 09:37
Очень интересная книга! Особенно, если любишь психологию и хочешь понимать себя и других. Обязательно послушаю до конца. Спасибо....
Кригер Борис – Гнев
-
Галина25 май 13:02
Очень уважаю Артема Шейнина, книга замечательная, очень мне близкая по духу.Перечитываю уже второй раз, столько пережитого и не...
Мне повезло вернуться - Артем Шейнин
-
Екатерина11 январь 08:05
Доброе утро. Подскажите пожалуйста как сохранять книги, ставить закладки?...
Подонок - Анастасия Леманн