» » » Мозг рассказывает. Что делает нас людьми - Вилейанур С. Рамачандран

Мозг рассказывает. Что делает нас людьми - Вилейанур С. Рамачандран

Книгу Мозг рассказывает. Что делает нас людьми - Вилейанур С. Рамачандран читаем онлайн бесплатно и без регистрации! Читать онлайн вы можете не только на компьютере, но и на андроид (Android), iPhone и iPad. Наслаждайтесь!

892 0 21:41, 12-05-2019
Мозг рассказывает. Что делает нас людьми - Вилейанур С. Рамачандран
12 май 2019
Автор: Вилейанур С. Рамачандран Жанр: Книги / Психология Год публикации: 2015 Возрастные ограничения: (18+) Внимание! Аудиокнига может содержать контент только для совершеннолетних.
+1 1

Книга Мозг рассказывает. Что делает нас людьми - Вилейанур С. Рамачандран читать онлайн бесплатно без регистрации

Непостижимые загадки (как человек может хотеть ампутировать себе руку? почему рисунки аутичного ребенка превосходят по своему мастерству рисунки Леонардо? что такое чувство прекрасного? откуда берется в нас сострадание? как может человечество передавать культуру от поколения к поколению? что породило речь? где живет самосознание?) находят свое объяснение на уровне нейронов мозга - благодаря простым и гениальным экспериментам B.C.Рамачандрана. Он великий ученый современности, но у него еще и искрометное чувство юмора - и вот вам, пожалуйста, блестящее повествование о странном человеческом поведении и работе мозга. Самые последние достижения науки о мозге. Где в мозге кроется то, что делает человека человеком? B.C.Рамачандран назван одним из ста самых выдающихся людей XX века.
1 ... 17 18 19 20 21 22 23 24 25 ... 101
Перейти на страницу:

Так какое же именно объяснение верно предпочтение более простой интерпретации или допущение единственного источника света? Чтобы выяснить это, я провёл очевидный эксперимент, создав смешанное изображение, показанное на рис. 2.4, где верхний и нижний ряды имеют разное направление затенения. Вы заметите, что на этом изображении, если в верхнем ряду вы увидите яйца, в нижнем ряду обязательно увидите углубления, и наоборот; при этом невозможно видеть их все одновременно как яйца или все одновременно как углубления. Это доказывает, что дело не в простоте интерпретации, а во внутреннем допущении единственного источника света.

Итак, дело продвинулось. На рис. 2.5 затенённые диски затенены не по горизонтали, а по вертикали. Вы заметите, что диски светлые с верхней стороны практически всегда видны как яйца, выгнутые по направлению к вам, в то время как диски тёмные с верхней стороны видятся углублениями. Из этого мы можем заключить, что, вдобавок к предположению о существовании единственного источника света, открытому с помощью рис. 2.4, внутри мозга действует ещё более мощное предположение, что свет светит сверху. Опять-таки, это имеет смысл, учитывая расположение солнца в естественной среде.


Мозг рассказывает. Что делает нас людьми

Рис. 2.4. Два ряда дисков. Если верхний ряд выглядит как яйца, то нижний как ямки и наоборот. Невозможно воспринимать их одинаково. Рисунок иллюстрирует предположение о «единственном источнике света», которое строится в процессе визуального восприятия

Разумеется, это не всегда верно, иногда солнце находится на горизонте. Однако со статистической точки зрения это верно, солнце уж точно никогда не окажется под вами. Если вы перевернёте изображение сверху вниз, вы обнаружите, что выпуклости и углубления поменялись местами. С другой стороны, если вы повернёте картинку точно на 90 градусов, вы обнаружите, что теперь затенённые диски можно видеть по-разному, как на рис. 2.4, поскольку у вас нет врождённой склонности предполагать, что свет должен приходить слева или справа.


Мозг рассказывает. Что делает нас людьми

Рис. 2.5. Солнце всегда сверху! Половина дисков (свет сверху) выглядят как яйца, и половина как ямки. Эта иллюзия показывает, что зрительная система автоматически предполагает, что свет падает сверху. Переверните картинку, и яйца поменяются местами с ямками

Теперь я бы хотел, чтобы вы проделали ещё один эксперимент. Вернитесь к рис. 2.4, но на этот раз вместо того, чтобы вращать страницу, поставьте книгу вертикально и наклоните ваше тело и голову вправо, так чтобы ваше правое ухо почти касалось правого плеча, а ваша голова оказалась параллельно земле. Что происходит? Возможность видеть двояко исчезает. Верхний ряд всегда кажется выпуклостями, а нижний ряд углублениями. Это потому, что верхний ряд сейчас светлый с верхней стороны по отношению к вашей голове и сетчатке, хотя он все ещё светлый с правой стороны по отношению к миру. Можно это сказать по-другому: предположение, что свет светит сверху, имеет центром отсчёта голову, а не мир или положение тела. Как будто ваш мозг предполагает, что солнце прикреплено к вашей макушке и остаётся прикреплённым к ней, даже если вы склоняете голову на 90 градусов! Почему же возникло столь глупое предположение? Да потому, что, говоря языком статистики, ваша голова находится в вертикальном положении большую часть времени. Ваши обезьяньи предки крайне редко прогуливались, смотря на мир со склонённой набок головой. Таким образом, ваша зрительная система избирает кратчайший путь, она делает упрощающее предположение, что солнце прикреплено строго над вашей головой. Цель зрения состоит не в том, чтобы все время воспринимать вещи совершённым образом, а чтобы воспринимать их совершённым образом достаточно часто и достаточно быстро для того, чтобы как можно дольше прожить и оставить как можно больше потомства. Это единственное имеет значение в том, что касается эволюции. Разумеется, этот кратчайший путь делает вас уязвимым для определённых неверных суждений, например, когда вы склоняете голову набок, но такое происходит так редко в реальной жизни, что ваш мозг вполне может позволить себе быть ленивым в отношении таких вещей. Объяснение этой зрительной иллюзии показывает вам, что вы можете начать со сравнительно простого набора изображений, задавать вопросы, которые могла бы задать ваша бабушка, и добиться за пару минут настоящих прозрений относительно того, как мы воспринимаем мир.

Зрительные иллюзии пример подхода к мозгу как к чёрному ящику. Образ чёрного ящика пришёл к нам из инженерии. Студенту-инженеру выдаётся запечатанный ящик с электрическими клеммами и электролампами, усеивающими поверхность ящика. Подключение определённых клемм заставляет определённые лампы загораться, но не в прямой или однозначной зависимости. Задание состоит в том, чтобы, подавая различные комбинации входных электрических сигналов, обратить внимание, какие из ламп зажигаются в каждом случае, и с помощью метода проб и ошибок определить монтажную схему сети внутри коробки, не открывая её.

В психологии восприятия мы часто сталкиваемся с той же базовой проблемой. Чтобы ограничить круг гипотез о том, как мозг обрабатывает определённые виды зрительной информации, мы просто используем разнообразные сенсорные входящие данные и примечаем, что люди видят или что, как они полагают, они видят. Такие эксперименты позволяют нам открывать законы зрительной функции, примерно таким же образом, как Георг Мендель смог открыть законы наследственности, скрещивая растения с разными признаками, хотя у него не было никакой возможности что-либо узнать о молекулярных и генетических механизмах, делающих их действительными. Относительно зрения, я полагаю, лучшим из примеров, которые мы рассмотрели, будет пример Томаса Янга, предсказавшего существование в глазу трёх видов цветовых рецепторов, основываясь на забаве с цветными пятнами.

Когда изучаешь восприятие и думаешь над законами, которые лежат в его основе, то рано или поздно появляется желание узнать, каким образом эти законы фактически основываются на деятельности нейронов. Единственный способ это узнать взломать чёрный ящик, то есть экспериментировать непосредственно на мозге. Существует три традиционных способа: неврология (изучение пациентов с повреждениями мозга), нейрофизиология (наблюдение за активностью нейронных цепей или даже отдельных клеток) и сканирование мозга. Специалисты в каждой из этих областей взаимно презирают друг друга и склонны рассматривать свой собственный метод как самое важное окно в мир работы мозга, но в последние десятилетия специалисты все больше понимают, что необходимо объединить усилия, разрешая эту проблему. Теперь в бой вступили даже философы. Некоторые из них, например Пэт Черчленд и Дэниел Деннет, обладают той широтой взгляда, которая может послужить мощным противоядием против тупика узкой специализации, в который было загнано большинство нейроученых.


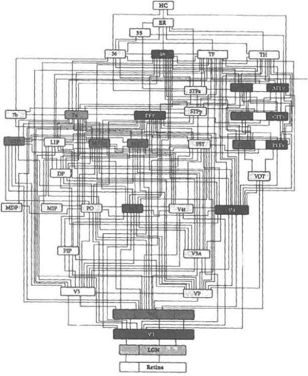
Мозг рассказывает. Что делает нас людьми

Рис. 2.6. Диаграмма Дэвида ван Эссена, изображающая необыкновенную сложность связей между зрительными областями у приматов, с множественными ответными петлями на каждой ступени иерархии. «Чёрный ящик» был открыт, а внутри оказался… целый лабиринт маленьких чёрных ящичков! Ну что ж, никто и не обещал, что это будет просто

1 ... 17 18 19 20 21 22 23 24 25 ... 101
Перейти на страницу:
  1. Жалоба
Отзывы - 0

Прочитали книгу? Предлагаем вам поделится своим впечатлением! Ваш отзыв будет полезен читателям, которые еще только собираются познакомиться с произведением.


Уважаемые читатели, слушатели и просто посетители нашей библиотеки! Просим Вас придерживаться определенных правил при комментировании литературных произведений.

Просьба отказаться от дискриминационных высказываний. Мы защищаем право наших читателей свободно выражать свою точку зрения. Вместе с тем мы не терпим агрессии. На сайте запрещено оставлять комментарий, который содержит унизительные высказывания или призывы к насилию по отношению к отдельным лицам или группам людей на основании их расы, этнического происхождения, вероисповедания, недееспособности, пола, возраста, статуса ветерана, касты или сексуальной ориентации. Просьба отказаться от оскорблений, угроз и запугиваний. Просьба отказаться от нецензурной лексики. Просьба вести себя максимально корректно как по отношению к авторам, так и по отношению к другим читателям и их комментариям.

Надеемся на Ваше понимание и благоразумие. С уважением, администратор My-Books.me.


Новые отзывы

  1. Александра Александра15 январь 09:37 Очень интересная книга! Особенно, если любишь психологию и хочешь понимать себя и других. Обязательно послушаю до конца. Спасибо.... Кригер Борис – Гнев
  2. Галина Галина25 май 13:02 Очень уважаю Артема Шейнина, книга замечательная, очень мне близкая по духу.Перечитываю уже второй раз, столько пережитого и не... Мне повезло вернуться - Артем Шейнин
  3. Екатерина Екатерина11 январь 08:05 Доброе утро. Подскажите пожалуйста как сохранять книги, ставить закладки?... Подонок - Анастасия Леманн
Все комметарии
Новинки бесплатной онлайн библиотеки