У-2 / По-2 - Сергей В. Иванов
Книгу У-2 / По-2 - Сергей В. Иванов читаем онлайн бесплатно и без регистрации! Читать онлайн вы можете не только на компьютере, но и на андроид (Android), iPhone и iPad. Наслаждайтесь!
131 0 17:33, 25-05-2019Книга У-2 / По-2 - Сергей В. Иванов читать онлайн бесплатно без регистрации

С-1

С-2

С-3 с санитарной кабиной Филатова

У-2 с кассетами Щербакова

У-2 с кассетами Бакшаева

С-2 с кассетами Бакшаева

У-2Л Зусмана

У-2Л Рафаэлянца (с первоначальным вариантом киля)

У-2ЛС Кулика

У-2ШС

У-2М

S-13

Югославская переделка По-2 под двигатель Valter Mikron
ТЕХНИЧЕСКИЕ ДАННЫЕ САМОЛЕТА
Длияа самолета 8,170 м
Высота 2,900 »
Максимальная высота при стоянке по концам верхг х крыльев 3,100 »
Расстояние от оси самолета до земли 1,630 »
Расстояние от конца лопасти винта до земли (при положении в линии полета) 0,430 »
Размах верхнего крыла 11,400 »
Размах нижнего крыла 10,654 »
Размах горизонтального оперения 4,708 »
Длина хорды верхнего крыла 1,654 »
Длина хорды нижнего крыла 1,654 »
Расстояние между хордами 1,777 »
Относительная толщина крыльев 0,081(8,1%)
Площадь нижних крыльев 15,450 м-
Площадь верхних крыльев (с центропланом) 17,700 »
Площадь центроплана 2,250 »
Общая площадь коробки крыльев с элеронами 33,150 »
Площадь элеронов 4,300 »
Площадь стабилизатора 2,900»
Площадь рулей высоты 2,150 »
Площадь всего горизонтального сперения 5,050 »
Площадь киля 0,340 »
Площадь руля направления 1,330 »
Площадь всего вертикального оперения 1,670 »
Ширина колеи шасси 1,674 м
Размер пневматиков 700 x *50 мм
ПРОЧИЕ ДАННЫЕ САМОЛЕТА
Нагрузка на крылья 32,6 кг/м2
Нагрузка на 1 л. с. 8,62 кг/л. с.
Угол наклона оси фюзеляжа относительно земли при стоянке 14
Длина лыжи 2,200 м
Ширина лыжи 0,334
Площадь опорной поверхности обеих лыж 0,890 м-
РЕГУЛИРОВОЧНЫЕ ДАННЫЕ
Угол установки верхнего правого крыла 4- 2°
Угол установки верхнего левого крыла 2°20'
Угол установки нижнего правого крыла + 2°
Угол установки нижнего левого крыла + 2°20'
Поперечное V' верхних крыльев + 2°
Поперечное V нижних крыльев + 2°
Установочный угол стабилизатора + 2°
Допуск ± 10'
Вынос верхнего крыла 800 мм
Отклонение киля (смещение относительно оси симметрии) 0°
Отклонение руля высоты от горизонтали: вниз 13° вверх 28°
отклонение руля направления (вправо и влево) по 18°
Отклонение элерона от хорды: вверх 23° вниз 22°
Допуск ±2°
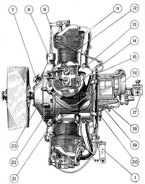
МОТОР М- 11Д

ВИД СПЕРЕДИ

ВИД СБОКУ

ВИД СЗАДИ
НАИМЕНОВАНИЕ ПОЗИЦИЙ 1. Карбюратор КП-А (или Б) 2. Маслоотстойник 3. Тяги толкателей 4. Втулка пинта 5. Свечи 6. Проводники зажигания 7. Суфлер 8. Маслоуловительные колпачки 9. Коромысла 10. Пружины клапанов 11. Головка цилиндра 12. Гильза цилиндра 13. Всасывающий патрубок 14. Выхлопное окно 15. Коллектор проводов зажигания 16. Магнето БСМ-5 17. Бензиновый насос БНК-12АС 18. Штуцер для замера давления выходящего масла 19. Фильтр маслонасоса 20. Редукционный клапан маслонасоса 21. Средняя часть картера 22. Передняя крышка картера 23. Носок картера 24. Масляный насос МИМ-11 25. Штуцер термометра (2 шт.) 26. Штуцер входа бензина из бака в бензонасос 27. Бобышка для крепления мотора к мотораме (10 шт.) 28. Штуцер поступления бензина в карбюратор 29. Задняя крышка картера 30. Штуцер входа масла в нагнетающую систему 31. Штуцер входа масла в откачивающую систему 32. Вход бензина в карбюратор 33. Штуцер выхода масла из откачивающей помпы
Фюзеляж

ВЕРХНИЙ УЗЕЛ РАЗЪЕМА ФЮЗЕЛЯЖА И НИЖНИЙ УЗЕЛ РАЗЪЕМА ФЮЗЕЛЯЖА
Прочитали книгу? Предлагаем вам поделится своим впечатлением! Ваш отзыв будет полезен читателям, которые еще только собираются познакомиться с произведением.
Уважаемые читатели, слушатели и просто посетители нашей библиотеки! Просим Вас придерживаться определенных правил при комментировании литературных произведений.
Просьба отказаться от дискриминационных высказываний. Мы защищаем право наших читателей свободно выражать свою точку зрения. Вместе с тем мы не терпим агрессии. На сайте запрещено оставлять комментарий, который содержит унизительные высказывания или призывы к насилию по отношению к отдельным лицам или группам людей на основании их расы, этнического происхождения, вероисповедания, недееспособности, пола, возраста, статуса ветерана, касты или сексуальной ориентации. Просьба отказаться от оскорблений, угроз и запугиваний. Просьба отказаться от нецензурной лексики. Просьба вести себя максимально корректно как по отношению к авторам, так и по отношению к другим читателям и их комментариям.
Надеемся на Ваше понимание и благоразумие. С уважением, администратор My-Books.me.
Оставить комментарий
-
Александра15 январь 09:37
Очень интересная книга! Особенно, если любишь психологию и хочешь понимать себя и других. Обязательно послушаю до конца. Спасибо....
Кригер Борис – Гнев
-
Галина25 май 13:02
Очень уважаю Артема Шейнина, книга замечательная, очень мне близкая по духу.Перечитываю уже второй раз, столько пережитого и не...
Мне повезло вернуться - Артем Шейнин
-
Екатерина11 январь 08:05
Доброе утро. Подскажите пожалуйста как сохранять книги, ставить закладки?...
Подонок - Анастасия Леманн