Штурмовое орудие Stug III - Михаил Барятинский
Книгу Штурмовое орудие Stug III - Михаил Барятинский читаем онлайн бесплатно и без регистрации! Читать онлайн вы можете не только на компьютере, но и на андроид (Android), iPhone и iPad. Наслаждайтесь!
155 0 14:36, 26-05-2019Книга Штурмовое орудие Stug III - Михаил Барятинский читать онлайн бесплатно без регистрации

февраль — март 1943 года

с апреля 1943 года
Штурмовое орудие StuG III имело компоновку с передним расположением боевой рубки. Внутри корпус машины делился на три отделения: управления (оно же трансмиссионное), боевое и моторное.
Отделение управления находилось в носовой части САУ. В нем размещались приводы управления, приборы, контролировавшие работу двигателя, главный фрикцион, коробка передач, планетарный механизм поворота, сиденье механика- водителя. Боевое отделение располагалось в средней части САУ. В нем размещались вооружение, боекомплект, приборы прицеливания и наблюдения, радиостанция. Здесь же находились рабочие места командира, наводчика и заряжающего. Над полом боевого отделения проходил карданный вал, закрытый кожухом. Моторное отделение находилось за боевым. В нем были установлены двигатель, масляный и топливный баки и радиаторы системы охлаждения.
КОРПУС штурмового орудия сваривался из катаных листов гетерогенной брони. Отдельные детали соединялись броневыми болтами и угольниками. На крыше моторного отделения находились четыре люка — два больших и два малых — для доступа к агрегатам силовой установки, а в днище корпуса — люки для спуска воды, бензина и масла и для доступа к двигателю и коробке передач. В верхнем лобовом листе корпуса имелись два люка для доступа к агрегатам трансмиссии, закрываемые двухстворчатыми крышками.
РУБКА сварная многогранная, соединялась с корпусом броневыми болтами. Крышка также крепилась к стенкам с помощью болтов, что облегчало ее демонтаж при необходимости замены орудия.
Для посадки экипажа в крыше рубки имелись два прямоугольных люка, закрывавшихся двухстворчатыми крышками, и лючок для вывода головки перископического прицела (у модификаций А и В головка выводилась через амбразуру в лобовом листе рубки), закрывавшийся сдвижной крышкой. Рубка модификаций Е — F, в отличие от предыдущих, не имела 9-мм броневых скосов по бортам — вместо них приваривались броневые ящики, в которых размещались радиостанция и часть боекомплекта. У модификаций F и F/8 на крыше рубки появился бронеколпак вентилятора.

StuG 40 Ausf.G выпуска 1943 года. Мамина покрыта циммеритом и оснащена противокумулятивными экранами

Схема бронирования штурмового орудия StuG III
Наиболее совершенной формой отличалась рубка варианта G, расширенная до середин надгусеничных полок. Она оснащалась командирской башенкой с толщиной броневого пояса 30 мм, а с октября 1943 года получила дополнительную бронезащиту. Конструкция командирской башенки предусматривала возможность ведения наблюдения за местностью через стереотрубу без открытия люка. По периметру башенки размещались семь перископических приборов наблюдения.
У машин модификации G и некоторых F/8 на крыше рубки имелся откидной 10-мм бронещиток для пулеметов MG 34 или MG 42.
ВООРУЖЕНИЕ. Штурмовые орудия StuG III Ausf.A — Е вооружались пушкой 7,5 cm StuK 37 калибра 75 мм. Длина ствола 24 калибра (1766,3 мм). Масса пушки 490 кг. Пушка имела вертикальный клиновой затвор и электроспуск. Дальность прямого выстрела 620 — 650 м, максимальная дальность стрельбы 6200 м. В ее боекомплект входили выстрелы с бронебойными снарядами KgrRotPz (масса 6,8 кг, начальная скорость 385 м/с), кумулятивными Gr 38Н1/А, Gr 38Н1/В и Gr 38Н1/С (4,44...4,8 кг, 450...485 м/с), дымовыми NbGr (6,21 кг, 455 м/с) и осколочно-фугасными (5,73 кг, 450 м/с). Боекомплект состоял из 44 выстрелов (Ausf.A — D) или 54 выстрелов (Ausf.E).
Штурмовые орудия StuG III Ausf.F были вооружены пушкой 7,5 cm StuK 40 калибра 75 мм. Длина ствола 43 калибра (3473 мм). Масса орудия 670 кг.
Боевые машины модификаций F/8 и G вооружались пушкой 7,5 cm StuK 40 с длиной ствола 48 калибров (3855 мм). Затвор клиновой полуавтоматический. Масса орудия 750 кг. Предельная длина отката 520 мм. Пушка оснащалась двухкамерным дульным тормозом. Дальность прямого выстрела 800— 1200 м, максимальная дальность стрельбы 7700 м. Скорострельность 10—15 выстр./мин.
Боекомплект пушек состоял из 44 выстрелов (Ausf.F и F/8) и 54 выстрелов (Ausf.G).
Все орудия устанавливались в рубке на специальном станке, смонтированном на днище боевого отделения.
В качестве вспомогательного вооружения использовался пулемет MG 34 или MG 42 калибра 7,92 мм, перевозимый внутри боевой машины. САУ поздних выпусков оснащалась дистанционно управляемой установкой пулемета MG 42 и спаренным с пушкой пулеметом MG 34. В боекомплект пулеметов входило 600 патронов.

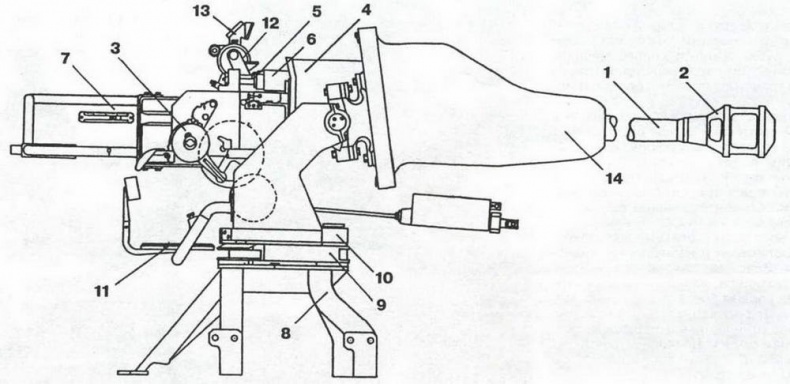
Установка 75-мм пушки StuK 40 U48:
1 — ствол; 2 — дульный тормоз; 3 — механизм полуавтоматики; 4 — люлька; 5 — тормоз отката; 6 — накатник; 7 — ограждение пушки; 8 — станина; 9 — нижний станок; 10 — верхний станок; 11 — сиденье наводчика; 12 — корзинка прицела; 13 — прицел; 14 — маска пушки

Заряжающий StuG III за работой. Из-за расположения его рабочего места справа от орудия досылать выстрел ему приходилось левой рукой
Характеристика боеприпасов 75-мм пушки StuG 40
| Тип снаряда | PzCr 39 (бронебойный) | PzCr 40 (подкалиберный) | Cr38HL/B (кумулятивный) | SprCr (осколочно-фугасный) | 34 NbCr (дымовой) |
| Масса снаряда, кг | 6,8 | 4.1 | 4,4 | 5,72 | 6,21 |
| Начальная скорость, м/с | 740....790 | 920... 1060 | 485 | 590 | 580 |
| Бронепробиваемость, мм при угле встречи 0° на дистанции, м: | |||||
| 500 | 91 | 108 | 100 | _ | |
| 1000 | 82 | 87 | 100 | — | — |
| ПРИМЕЧАНИЕ. Таблица составлена на основании немецких источников. | |||||
Штурмовые орудия моделей A —F имели прибор дымопуска, закрепленный на кормовом листе корпуса и состоявший из пяти дымовых шашек с электрозапалом. У машин вариантов F/8 и G на бортах рубки устанавливались два строенных дымовых гранатомета Nbk 39 калибра 90 мм.
Прочитали книгу? Предлагаем вам поделится своим впечатлением! Ваш отзыв будет полезен читателям, которые еще только собираются познакомиться с произведением.
Уважаемые читатели, слушатели и просто посетители нашей библиотеки! Просим Вас придерживаться определенных правил при комментировании литературных произведений.
Просьба отказаться от дискриминационных высказываний. Мы защищаем право наших читателей свободно выражать свою точку зрения. Вместе с тем мы не терпим агрессии. На сайте запрещено оставлять комментарий, который содержит унизительные высказывания или призывы к насилию по отношению к отдельным лицам или группам людей на основании их расы, этнического происхождения, вероисповедания, недееспособности, пола, возраста, статуса ветерана, касты или сексуальной ориентации. Просьба отказаться от оскорблений, угроз и запугиваний. Просьба отказаться от нецензурной лексики. Просьба вести себя максимально корректно как по отношению к авторам, так и по отношению к другим читателям и их комментариям.
Надеемся на Ваше понимание и благоразумие. С уважением, администратор My-Books.me.
Оставить комментарий
-
Александра15 январь 09:37
Очень интересная книга! Особенно, если любишь психологию и хочешь понимать себя и других. Обязательно послушаю до конца. Спасибо....
Кригер Борис – Гнев
-
Галина25 май 13:02
Очень уважаю Артема Шейнина, книга замечательная, очень мне близкая по духу.Перечитываю уже второй раз, столько пережитого и не...
Мне повезло вернуться - Артем Шейнин
-
Екатерина11 январь 08:05
Доброе утро. Подскажите пожалуйста как сохранять книги, ставить закладки?...
Подонок - Анастасия Леманн