«Черная кошка» Панцерваффе - Михаил Барятинский
Книгу «Черная кошка» Панцерваффе - Михаил Барятинский читаем онлайн бесплатно и без регистрации! Читать онлайн вы можете не только на компьютере, но и на андроид (Android), iPhone и iPad. Наслаждайтесь!
161 0 14:33, 26-05-2019Книга «Черная кошка» Панцерваффе - Михаил Барятинский читать онлайн бесплатно без регистрации

Компоновка башни танка Panther Ausf D:
1 — кронштейн крепления пушки по-походному; 2 — спаренный пулемет: 3 — сиденье заряжающего: 4 — стопор башни: 5 — сиденье командира танка; 6 — сиденье наводчика; 7 — телескопический бинокулярный прицел TZF 12а; 8 — маска пушки; 9 — механизм поворота башни; 10— цилиндр накатника: 11 — цилиндр тормоза отката

Загрузка 75-мм выстрелов через командирский люк танка

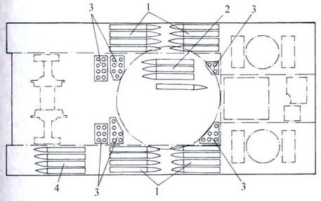
Схема укладки боекомплекта 75-мм выстрелов:
1 — укладка в нишах корпуса; 2 — укладка на полу боевого отделения; 3 — вертикальная укладка; 4 — укладка в отделении управления
| Тип выстрела | Pz.Gr.39/42(бронебойный) | Pz.40/42 (подкалиберный) | Gr.34(осколочно-фугасный) |
| Масса выстрела, кг | 14,3 | 11,55 | — |
| Масса снаряда, кг | 6.8 | 4.75 | 5,74 |
| Начальная скорость, м/с | 925 | 1120 | 700 |
Танки Ausf.D оснащались бинокулярным телескопическим ломающимся прицелом TZF12, a Ausf.A и G — монокулярным TZF12a. При изменении вертикального угла установки вооружения изменялось и положение объективной части прицелов, окулярная же часть оставалась неподвижной, что обеспечивало работу с вооружением на всем диапазоне вертикального угла наведения без изменения положения стреляющего. Прицелы изготавливались фирмой Karl Zeiss в Йене.
Бинокулярный прицел состоял из двух труб, левая из которых отличалась от правой отсутствием сетки со шкалами прицеливания. Он имел 2,5-кратное увеличение и поле зрения 30°.

Советские солдаты осматривают подбитую «Пантеру» Ausf.D. Курская дуга, июль 1943 года. Высота линии огня у «Пантеры» составляла 2260 мм — рукой не достать!

Пулемет MG 34 в шаровой установке

«Пантера» Ausf.A. Эта машина находится в экспозиции французского танкового музея в Самюре
Основным недостатком бинокулярного прицела TZF12 было малое увеличение, обеспечивавшее ведение прицельного огня на дистанциях не свыше 2000 м, что не позволяло в полной мере использовать великолепные баллистические характеристики пушки KwK 42.
Монокулярный прицел TZF12a по устройству представлял собой правую трубу бинокулярного прицела, но в отличие от последнего имел переменное увеличение — 2,5- и 5-кратное. Поле зрения соответственно составляло 30° и 15°. Прицел TZF12a обеспечивал ведение прицельного огня на дистанциях до 4000 м.
Боекомплект пушки состоял из 79 выстрелов у Ausf.D и А и 82 выстрелов у Ausf.G. Выстрелы укладывались в нишах подбашенной коробки, в отделении управления и боевом отделении.
Боекомплект пулеметов для модификаций D и А составлял 5100, а для G — 4800 патронов.
В качестве вспомогательного вооружения танки модификаций А и G оснащались «устройством ближнего боя» (Nahkampfgerat) — мортиркой калибра 26 мм, в боекомплект которой входили дымовые (12 шт.), осколочные (20 шт.) и осколочно-зажигательные (24 шт.) снаряды. Мортирка располагалась в правой задней части крыши башни.
ДВИГАТЕЛЬ И ТРАНСМИССИЯ. На танке «Пантера» устанавливался 12-цилиндровый карбюраторный четырехтактный двигатель Maybach HL-230P3O мощностью 700 л .с. (515 кВт) при 3000 об/мин (на практике число оборотов не превышало 2500). Диаметр цилиндра 130 мм. Ход поршня 145 мм. Цилиндры располагались V-образно под углом 60°. Степень сжатия 6,8. Сухая масса двигателя 1200 кг.
Топливо — этилированный бензин с октановым числом не ниже 74. Емкость пяти бензобаков 730 л. Подача топлива принудительная, с помощью четырех диафрагменных насосов Solex. Карбюраторов — четыре, марки Solex 52FFJIID.
Система смазки — циркуляционная, под давлением, с сухим картером. Циркуляция масла осуществлялась тремя шестеренчатыми насосами, из которых один нагнетающий и два отсасывающих.
Система охлаждения — жидкостная. Радиаторов — четыре, соединенных по два последовательно. Емкость радиаторов — около 170 л. По обеим сторонам двигателя располагались вентиляторы типа Zyklon.
Для ускорения запуска двигателя в холодное время года предназначался термосифонный подогреватель, отапливаемый паяльной лампой, которая устанавливалась с наружной стороны кормового листа корпуса.

Схема трансмиссии танка

Завязшая в болоте и брошенная экипажем «Пантера» модели G. Восточная Пруссия, 1944 год. Видны открытые люки над двигателем, кормовой башенный и командирский. Крышка люка механика- водителя оторвана
Трансмиссия состояла из карданной передачи,трехдискового главного фрикциона сухого трения, коробки передач АК 7-200, механизма поворота фирмы MAN, бортовых передач и дисковых тормозов типа LG 900.
Коробка передач — трехвальная, с продольным расположением валов, семиступенчатая, пятиходовая, с постоянным зацеплением шестерен и простыми (безынерционными) конусными синхронизаторами для включения передач со 2-й по 7-ю.
Картер коробки передач центрировался и жестко соединялся с картером механизма поворота, образуя единый монтажно-демонтажный агрегат (с общими внутренним объемом и системой смазки) трансмиссии: двухпоточный механизм передач и поворота. Механизм поворота состоял из двух планетарных редукторов. К бортовым передачам мощность подводилась короткими поперечными валами с зубчатыми муфтами на концах. Центровочные работы при сборке танка были сведены таким образом к минимуму, но монтаж и демонтаж механизма передач и поворота из сварной носовой части броневого корпуса представляли собой весьма трудоемкую операцию.
Прочитали книгу? Предлагаем вам поделится своим впечатлением! Ваш отзыв будет полезен читателям, которые еще только собираются познакомиться с произведением.
Уважаемые читатели, слушатели и просто посетители нашей библиотеки! Просим Вас придерживаться определенных правил при комментировании литературных произведений.
Просьба отказаться от дискриминационных высказываний. Мы защищаем право наших читателей свободно выражать свою точку зрения. Вместе с тем мы не терпим агрессии. На сайте запрещено оставлять комментарий, который содержит унизительные высказывания или призывы к насилию по отношению к отдельным лицам или группам людей на основании их расы, этнического происхождения, вероисповедания, недееспособности, пола, возраста, статуса ветерана, касты или сексуальной ориентации. Просьба отказаться от оскорблений, угроз и запугиваний. Просьба отказаться от нецензурной лексики. Просьба вести себя максимально корректно как по отношению к авторам, так и по отношению к другим читателям и их комментариям.
Надеемся на Ваше понимание и благоразумие. С уважением, администратор My-Books.me.
Оставить комментарий
-
Александра15 январь 09:37
Очень интересная книга! Особенно, если любишь психологию и хочешь понимать себя и других. Обязательно послушаю до конца. Спасибо....
Кригер Борис – Гнев
-
Галина25 май 13:02
Очень уважаю Артема Шейнина, книга замечательная, очень мне близкая по духу.Перечитываю уже второй раз, столько пережитого и не...
Мне повезло вернуться - Артем Шейнин
-
Екатерина11 январь 08:05
Доброе утро. Подскажите пожалуйста как сохранять книги, ставить закладки?...
Подонок - Анастасия Леманн