» » » Танки Первой Мировой - Семен Федосеев

Танки Первой Мировой - Семен Федосеев

Книгу Танки Первой Мировой - Семен Федосеев читаем онлайн бесплатно и без регистрации! Читать онлайн вы можете не только на компьютере, но и на андроид (Android), iPhone и iPad. Наслаждайтесь!

185 0 21:15, 25-05-2019
Танки Первой Мировой - Семен Федосеев
25 май 2019
Автор: Семен Федосеев Жанр: Книги / Историческая проза Год публикации: 2010 Возрастные ограничения: (18+) Внимание! Аудиокнига может содержать контент только для совершеннолетних.
0 0

Книга Танки Первой Мировой - Семен Федосеев читать онлайн бесплатно без регистрации

Первая Мировая война привела не только к грандиозным социальным потрясениям, но и к целой серии радикальных переворотов а военном деле. И главным из них стала Великая Танковая революция, позволившая преодолеть «позиционный тупик» Западного фронта. Именно в 1914–1918 гг. танк из «нелепой игрушки» превратился в нового «бога войны». Именно на полях сражений Первой Мировой родился новый род войск и тактика его боевого применения. Именно здесь был совершен колоссальный прорыв в танковом деле, на десятилетия определивший характер современной войны. Новая книга ведущего историка вооружений — самое полное исследование периода становления танковых войск, глубокий анализ их создания, развития и боевого применения на фронтах Первой Мировой.
1 ... 40 41 42 43 44 45 46 47 48 ... 138
Перейти на страницу:

Далеко не сразу удалось решить вопрос с типом башни. Прототип «Рено» FT имел литую башню со сферическим наблюдательным «куполом», выполненным заодно с крышей башни. «Купол» уже в первых серийных танках пришлось заменить цилиндрическим колпаком с пятью смотровыми щелями и грибовидной откидывающейся крышкой. Кроме упрощения изготовления, это еще и улучшило вентиляцию. Смотровые щели выполнялись также в створках башенного люка, а в клепаных башнях — и в передних скулах, хотя здесь от них было больше вреда, чем пользы. Пришлось далее упрощать и саму башню. «Рено» по собственной инициативе оснастила первые 100 машин восьмигранной клепаной башней. Испытания показали ее полную пригодность, причем оказалось, что пушку и пулемет можно устанавливать в одинаковые башни с соответствующими изменениями установки. Правда, разработка установки пушки потребовала немало времени, и пушечный «Рено» прошел испытания 10–17 июля 1917 г. «Универсальная» башня, приспособленная для установки пушки или пулемета, пошла в серию и получила название «омнибус» (omnibus по-латыни — «для всех»). Башня диаметром 1,07 м устанавливалась на шаровой погон, для ее опоры на бортах корпуса приклепывались короткие скобы.


Танки Первой Мировой

Установка 37-мм пушки «Гочкис» («Пюто») в башне «Рено» FT-17 (Char Canon 37 mm).

Третий и последний вариант башни имел все же коническую форму, которую Рено предполагал изначально, надеясь на ее лучшую бронестойкость. Теоретически это было так, но качество катаной плоской брони было тогда выше, чем литой или кованой, так что восьмигранная башня демонстрировала лучшую стойкость против бронебойных пуль, чем коническая. Эта башня изготавливалась фирмой «Южин» (Acieries Paul Girod, Ugine) клепкой из литых и кованых деталей. Производство ее установили уже в 1918 г. Ее ставили в основном на танки производства самой «Рено», но «Южин» поставляла такие башни и другим производителям. Танки с литыми коническими башнями появились в 1918 г., из-за чего их иногда именуют FT-18, хотя в остальном это были все те же FT-17 (далее, во избежание путаницы, будет использоваться обозначение «Рено» FT). Толщина броневых листов клепаной башни составляла 16 мм, литая башня имела толщину брони до 22 мм. В целом «Рено» FT давал экипажу неплохую по тем временам защиту.

37-мм танковая пушка SA18 «Гочкис» («Пюто»), как и 37-мм пехотная Mle 1916 T.R., была выполнена на основе старой морской. Танковая пушка имела длину ствола 21 калибр, нарезной части — 15 калибров, полуавтоматический вертикальный клиновый затвор, пружинные противооткатные устройства, литой кожух люльки, пистолетную рукоятку управления, телескопический прицел. Для установки в башню пушка крепилась в полусферическом щите, который своими горизонтальными цапфами опирался в гнезда поворотного вертикального щита. Такая «цилиндрическая» установка допускала диапазон углов наведения в вертикальной плоскости от -20 до +35°. Стрельба из пушки велась унитарными выстрелами с чугунной (435 г) или стальной (560 г) осколочной гранатой, снаряженной мелинитом, либо бронебойным снарядом (510 г). Начальные скорости снарядов — соответственно 402, 367 и 390 м/с. Дальность стрельбы — до 2400 м, однако видимость из танка позволяла стрелять не далее 800 м. Бронебойный снаряд мог пробивать 12-мм броню на дальности до 500 м. Для самообороны вблизи танка служил картечный выстрел, действительный на дальности до 75—100 м. Боевая скорострельность — до 10 выстр./мин. Трубка оптического прицела защищалась стальным кожухом. Стрелок с помощью наплечников усилием плеч и спины поворачивал башню, производя грубую наводку, после чего с помощью плечевого упора пушки поворачивал ее на цель. Аналогично производилась наводка и в пулеметном варианте танка, углы наведения пулемета в вертикальной плоскости составляли от -20 до +35°.


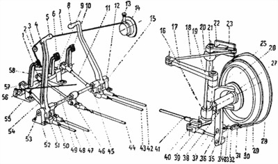
Танки Первой Мировой

Органы управления танка «Рено» FT:

1, 2 — защелка стопора тормозной педали, 3, 7 — трос стопора, 5 — левый рулевой рычаг, 6, 58 — тормозная педаль, 8 — правый рулевой рычаг, 10 — педаль акселератора, 11 — тяга, 12 — поводок, 15 — рычаг поворота, 17 — рычаг, 19 — рычаг сцепления, 20 — подшипник, 21 — вертикальная ось, 22, 23 — рычат, 25, 26 — конус сцепления, 27 — нажимная шайба, 28 — тормозной барабан, 29 — коробка, 30, 31 — тормозная лента, 36 — шарнир, 37 — тормозная тяга, 38 — ось рычага, 39 — ферродо, 41, 42, 43 — тяги, 49 — трос управления акселератором.

В отличие от британцев, выбравших в конце концов танковый пулемет на основе ручного «Гочкис» Mle 1909, французы ставили в пулеметные «Рено» FT-17/18 тело своего «длинного» 8-мм станкового пулемета «Гочкис» Mle 1914, использовавшегося в пехоте. Размеры пулемета затрудняли действия стрелка в башне, а установка коробки с лентой составила большую проблему. Изготовлено 2100 пулеметных танков.

Боекомплект выстрелов к пушке (20 осколочных, 25 бронебойных и 12 картечных) или патронов (4800 патронов — 50 лент по 98 патронов) размещался на днище и на стенках боевого отделения.

Четырехцилиндровый рядный карбюраторный двигатель «Рено» (Renault 18CV) устанавливался по оси машины, имел диаметр цилиндров 95 мм, ход поршня 160 мм, карбюратор типа «Зенит», зажигание от магнето, регулятор числа оборотов, запускался заводной ручкой изнутри или снаружи (с кормы) машины. При 800 об/мин двигатель развивал мощность 20 л.с., при 1000 оборотах — 27 л.с., при 1500 — 39 л.с. Топливный бак размещался впереди двигателя у перегородки. Подача бензина производилась насосом с мембраной или пульсатором, а на больших уклонах потреблялся бензин из дополнительного бачка. Жидкостное охлаждение выполнялось по термосифонной схеме, трубчатый радиатор обдувался вентилятором, обеспечивавшим также вентиляцию обитаемого объема. На прототипе имелись бортовые жалюзи в задней части корпуса охлаждения, но серийные танки их утратили. Воздух засасывался через продольную щель в крыше моторно-трансмиссионного отделения, прикрытую приподнятой бронекрышей. Выхлопная труба с глушителем выводилась с правого борта. Бронекрыша и верхние наклонные листы откидывали на петлях в перед, так что доступ к двигателю был достаточно удобен. Запас топлива допускал время движения танка 8 часов, доливать же воду в радиатор приходилось значительно чаще.


Танки Первой Мировой

Узлы ходовой части танка «Рено» FT:

1 — поддерживающий ролик, 2 — пружина буфера, 3 — направляющее колесо, 4 — вилка натяжного устройства, 5 — гайка натяжного устройства, 6 — винт натяжного устройство, 7 — передний балансир, 8 — серьга рессоры, 9 — задний балансир, 10 — рессора, 11 — тележка, 12 — опорный каток, 13 — ведущее колесо, 14 — ось ведущего колеса.


Танки Первой Мировой

Сгнившие от времени деревянные части направляющего колеса танка «Рено» FT.

1 ... 40 41 42 43 44 45 46 47 48 ... 138
Перейти на страницу:
  1. Жалоба
Отзывы - 0

Прочитали книгу? Предлагаем вам поделится своим впечатлением! Ваш отзыв будет полезен читателям, которые еще только собираются познакомиться с произведением.


Уважаемые читатели, слушатели и просто посетители нашей библиотеки! Просим Вас придерживаться определенных правил при комментировании литературных произведений.

Просьба отказаться от дискриминационных высказываний. Мы защищаем право наших читателей свободно выражать свою точку зрения. Вместе с тем мы не терпим агрессии. На сайте запрещено оставлять комментарий, который содержит унизительные высказывания или призывы к насилию по отношению к отдельным лицам или группам людей на основании их расы, этнического происхождения, вероисповедания, недееспособности, пола, возраста, статуса ветерана, касты или сексуальной ориентации. Просьба отказаться от оскорблений, угроз и запугиваний. Просьба отказаться от нецензурной лексики. Просьба вести себя максимально корректно как по отношению к авторам, так и по отношению к другим читателям и их комментариям.

Надеемся на Ваше понимание и благоразумие. С уважением, администратор My-Books.me.


Новые отзывы

  1. Александра Александра15 январь 09:37 Очень интересная книга! Особенно, если любишь психологию и хочешь понимать себя и других. Обязательно послушаю до конца. Спасибо.... Кригер Борис – Гнев
  2. Галина Галина25 май 13:02 Очень уважаю Артема Шейнина, книга замечательная, очень мне близкая по духу.Перечитываю уже второй раз, столько пережитого и не... Мне повезло вернуться - Артем Шейнин
  3. Екатерина Екатерина11 январь 08:05 Доброе утро. Подскажите пожалуйста как сохранять книги, ставить закладки?... Подонок - Анастасия Леманн
Все комметарии
Новинки бесплатной онлайн библиотеки