Огнеметные танки Второй мировой войны - Алексей Ардашев
Книгу Огнеметные танки Второй мировой войны - Алексей Ардашев читаем онлайн бесплатно и без регистрации! Читать онлайн вы можете не только на компьютере, но и на андроид (Android), iPhone и iPad. Наслаждайтесь!
197 0 14:37, 26-05-2019Книга Огнеметные танки Второй мировой войны - Алексей Ардашев читать онлайн бесплатно без регистрации
Смесь мало просто метнуть в противника: ее необходимо предварительно поджечь на выходе из брандспойта. Заправка струйного огнемета самовоспламеняющейся смесью сделала бы такое оружие слишком опасным для самих огнеметчиков, поэтому была создана специальная система зажигания, действующая автоматически и согласованно с выходом струи. Зажигатели использовались различные — химические (серная кислота и смоченная бензином пакля), электрофакельные, терочные, пороховые. Широко применявшиеся в танковых огнеметах электрофакельные зажигатели включали запальную электрическую свечу по типу используемой в автомобильных карбюраторных двигателях, бензиновую горелку и дополнительную бензиновую магистраль.
Танковые огнеметы по конструкции принципиально не отличались от ранцевых и траншейных, зато при использовании их на танках устранялась слабая маневренность и не чувствовалась громоздкость огнеметов — самые крупные недостатки, мешавшие использовать их в качестве наступательного оружия.
Огнеметная танкетка ОТ-27 (первый вариант)
Россия не намного отстала от Германии в разработке нового вида оружия. Создателем ранцевого огнеметного прибора считается русский изобретатель (хотя и с немецкой фамилией) капитан Зигер-Корн. Но его прибор не был принят под предлогом «нереальности». В сентябре 1915 г. прошли испытания первые 20 огнеметов профессора Горбова. В 1916 г. был принят на вооружение ранцевый, а за ним —траншейный огнемет конструктора Товарницкого. Во время тесного военно-технического сотрудничества с Веймарской Германией советские специалисты смогли ближе познакомиться с германскими новинками в области зажигательного оружия.
Первые попытки создания огнеметного танка делались уже в начале становления отечественного танкостроения — на базе первого серийного танка МС-1 был разработан огнеметный — ОТ-1, не пошедший, однако, в производство. Точнее говоря, широко велись работы над «химическими» танками. СССР, как и все другие страны, готовился к будущей войне с широким применением химического оружия. А к таковому относили тогда не только боевые отравляющие вещества, но и зажигательное оружие, и средства постановки дымовых завес. Согласно взглядам военных в 1930-е гг., химические танки предназначались «как для химического нападения или защиты, так и для прикрытия действия линейных танков. Эти танки могут быть использованы для организации заражения, установления дымовой завесы или дегазации местности. Некоторые из этих танков используются для огнеметания при действии линейных танков против живой силы и огневых точек противника. Химическое вооружение (дымопуск или огнемет) может быть установлено и на некоторых линейных танках. Однако в этом случае трудно разместить достаточно мощное химическое вооружение и необходимое количество горючего». То есть роль «огнеметчиков» считалась для химических танков лишь одной из возможных.
Работы над химическими танками развернулись на основании приказа Начальника вооружений РККА «О системе химического вооружения» от 28 августа 1931 г.
Господствовавшие в 1920 — 1030-е гг. взгляды на характер ведения наступательных операций требовали высоких темпов продвижения в глубь обороны противника, для чего были необходимы мощные и одновременно достаточно подвижные средства, позволяющие уничтожить или подавить мешающие продвижению узлы сопротивления. Поэтому к началу 1930-х гг. советскими военными теоретиками была сформулирована мысль о необходимости создания бронированных машин, вооруженных мощными огнеметами, которые можно было бы использовать для уничтожения противника, обороняющегося в полевых укреплениях и фортификационных сооружениях, а также для распыления боевых ОВ и постановки дымовых завес с целью прикрытия боевых порядков танков с фронта или с флангов. Согласно советской доктрине, такие танки, хотя и несли имущество химических войск, считались неотъемлемой частью бронетанковых подразделений.

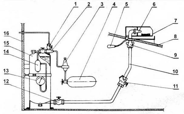
Фугасный огнемет периода Первой мировой войны:
1,12 — вентили; 2 — распределитель; 3 — редуктор; 4 — воздушный баллон; 5 — рукоятка управления брандспойтом; 6 — брандспойт; 7 — зажигалка; 8 — наклонный лобовой лист корпуса; 9 — шаровое соединение; 10 — трубопровод; 11 — задвижка; 13 — манометр; 14 — масляный затвор; 15 — резервуар для огнесмеси; 16 — корпус танка
Химические модификации с огнеметной аппаратурой разрабатывались практически для всех серийных и большинства опытных образцов танков. Первым реально воплощенным в металле самоходным огнеметом стала танкетка ХТ-27 (ОТ-27), построенная в 1932 г. и даже состоявшая на вооружении РККА. Химические танки строились на шасси плавающих танков Т-37 (ХТ-37 или БХМ-4) и Т-38 (ХТ-38), легких танков непосредственной поддержки пехоты Т-26, быстроходных колесно-гусеничных танков БТ.
Проект огнеметного танка был создан также на основе колесно-гусеничного среднего танка Т-29, а в 1938 г. СКБ-2 Ленинградского Кировского завода разработало проект гусеничного танка массой 30 — 32 т для механизированных бригад РККА. Предполагалось, что, кроме 76-мм пушки и крупнокалиберного пулемета, на нем будет и огнемет. Правда, как и в случае с ХТ-29, дальше проекта дело не пошло.
Главным разработчиком и поставщиком «танковых огнеметных приборов» с начала 1930-х гг. стал московский завод «Компрессор», выпускавший семейство пневматических огнеметов марки КС. Все они имели одинаковый принцип действия. Сильно сжатый воздух поступал из баллонов через редуктор, понижавший давление до рабочего, в резервуар с горючей смесью. Давлением воздуха смесь подавалась к брандспойту, через который сосредоточенной струей, поджигаемой бензиновым факелом на выходе, выпускалась на цель. Факел, в свою очередь, запалялся от электросвечи. Окончательное приспосабливание аппаратуры для установки на танки производилось обычно уже конструкторскими бюро танковых заводов.

Химический (огнеметный) танк ХТ-26 во время испытаний на НИБТПолигоне в Кубинке. 1932 год
Легкий химический танк ХТ-26
Легкий танк непосредственной поддержки пехоты Т-26, выпускавшийся в нескольких модификациях в Ленинграде заводом «Большевик» и машиностроительным заводом № 174 имени К.Е.Ворошилова, был в 1930-е гг. наиболее многочисленным в РККА. Массовый выпуск в сочетании со сравнительно простой и надежной конструкцией шасси обусловил широкое использование его для опытных разработок и создания на его базе специальных машин. Неудивительно, что этот танк был признан предпочтительным для изготовления серийных химических машин. Проект двухместного химического танка Т-26 с установкой для огнеметания и заражения местности предложил еще в июне 1932 г. Г.Е.Шмидт. Но более удачным оказался опытный танк БХМ-3, выполненный на базе двухбашенного варианта Т-26 обр.1931 г. Разработанная на заводе «Компрессор» аппаратура КС-2 допускала использование БХМ-3 для огнеметания, постановки дымовых завес и заражения местности или же, наоборот, дегазации.
Прочитали книгу? Предлагаем вам поделится своим впечатлением! Ваш отзыв будет полезен читателям, которые еще только собираются познакомиться с произведением.
Уважаемые читатели, слушатели и просто посетители нашей библиотеки! Просим Вас придерживаться определенных правил при комментировании литературных произведений.
Просьба отказаться от дискриминационных высказываний. Мы защищаем право наших читателей свободно выражать свою точку зрения. Вместе с тем мы не терпим агрессии. На сайте запрещено оставлять комментарий, который содержит унизительные высказывания или призывы к насилию по отношению к отдельным лицам или группам людей на основании их расы, этнического происхождения, вероисповедания, недееспособности, пола, возраста, статуса ветерана, касты или сексуальной ориентации. Просьба отказаться от оскорблений, угроз и запугиваний. Просьба отказаться от нецензурной лексики. Просьба вести себя максимально корректно как по отношению к авторам, так и по отношению к другим читателям и их комментариям.
Надеемся на Ваше понимание и благоразумие. С уважением, администратор My-Books.me.
Оставить комментарий
-
Александра15 январь 09:37
Очень интересная книга! Особенно, если любишь психологию и хочешь понимать себя и других. Обязательно послушаю до конца. Спасибо....
Кригер Борис – Гнев
-
Галина25 май 13:02
Очень уважаю Артема Шейнина, книга замечательная, очень мне близкая по духу.Перечитываю уже второй раз, столько пережитого и не...
Мне повезло вернуться - Артем Шейнин
-
Екатерина11 январь 08:05
Доброе утро. Подскажите пожалуйста как сохранять книги, ставить закладки?...
Подонок - Анастасия Леманн