Легкие танки Т-40 и Т-60 - Михаил Барятинский
Книгу Легкие танки Т-40 и Т-60 - Михаил Барятинский читаем онлайн бесплатно и без регистрации! Читать онлайн вы можете не только на компьютере, но и на андроид (Android), iPhone и iPad. Наслаждайтесь!
258 0 21:14, 25-05-2019Книга Легкие танки Т-40 и Т-60 - Михаил Барятинский читать онлайн бесплатно без регистрации
Впервые был применен верхний — падающий — карбюратор типа «Солекс» (в СССР— ЛКЗ К-23) с экономайзером (клапаном мощности) и с ускорительным насосом, резко повышавшим приемистость и разгонную динамику двигателя, важную для быстроходной машины. Правда, впоследствии из соображений пожаробезопасности пришлось вернуться к установке спаренных нижних — восходящих — карбюраторов типа М-1 (М-9510), а в дальнейшем снабдить двигатель и ограничителем оборотов, так как он, имея хорошее наполнение, легко «перекручивался» почти на 20%, до 4300 об/мин, что отрицательно сказывалось на его долговечности. Впрочем, обычных в подобных случаях обрывов шатунов не наблюдалось. Частота вращения двигателя контролировалась по тахометру.

Схема охлаждения двигателя:
1 — воздухоприток, 2 — водяной насос, 3 — вентилятор, 4 — радиатор, 5 — жалюзи, 6 —входной патрубок для забортной воды, 7 — гребной винт, 8 — выходное отверстие для забортной воды, 9 — масляный радиатор, 10 — масляный насос, 11 — двигатель.

Легкий плавающий танк Т-40.
Была заметно увеличена емкость бензобаков. Это подняло запас хода по грунту со 160 до 220 км — важный параметр для разведывательного танка, и введен аварийный 6-литровый бачок для питания двигателя самотеком, что также повышало надежность его работы.
Более совершенный воздухоочиститель автомобильного типа ГАЗ-11 увеличенной емкости сохранял ресурс нового двигателя, особенно в нередких для эксплуатации условиях повышенной запыленности.
Распределитель зажигания с центробежным автоматом опережения уже не нуждался в ручной регулировке, отвлекавшей водителя от управления и требовавшей определенных навыков. Более совершенный шунтовой генератор Г-41 с увеличенной на 70% мощностью обеспечивал устойчивый положительный электробаланс в сети, несмотря на появление дополнительных потребителей энергии: электростартера СЛ-40 с повышенным крутящим моментом и дистанционным (кнопочным) включением, многочисленных светотехнических и сигнальных приборов, мощной радиостанции (на командирских машинах).
Богатый опыт применения автомобильного в своей основе двигателя на бронетанковой технике с ее предельно тяжелыми условиями работы помог конструкторам в его эффективном совершенствовании в годы войны и в послевоенный период.
Автомобильная однодисковая сухая муфта сцепления (по танковому — главный фрикцион) полуцентробежного типа «Лонг» (ГАЗ-51) работала четко и не требовала для выключения больших усилий. Пробуксовки ее вызывались только неумелым использованием. Конструкция муфты, усиленной для работы в танке, также оказалась удачной и продержалась в производстве много лет. Ее применяли и в послевоенных грузовых автомобилях ГАЗ.
Автомобильная 4-ступенчатая коробка передач с силовым диапазоном 6,398 (достаточным на уровне специальных танковых коробок передач) была аналогична ранее применяемой ГАЗ-АА, за исключением введенной блокировки выключения двух высших передач. Рычаг управления ее на этот раз размещался более удобно и привычно — под правой рукой.
Заново, технически очень грамотно и даже изящно была спроектирована более совершенная, компактная и надежная главная коническая передача с размещенными на ее ведомом валу двумя многодисковыми (сталь по углеродистой стали У8А) бортовыми фрикционами сухого трения с ленточными тормозами (ферродо по стали) с удобной и стабильной регулировкой, в отличие от Т-38, где они не очень удачно размещались на бортовых передачах. Тем не менее с целью войсковой унификации по наиболее изнашиваемым деталям фрикционные диски использовали от Т-38. Конструкция главной передачи 010 оказалась перспективной и, пройдя ряд модернизаций (усиление подшипников и картера, различные вариации пар конических шестерен, совершенствование механизмов выключения бортовых фрикционов), но сохранив все принципиальные решения, применялась на аналогичных легких гусеничных машинах практически до наших дней.
Каждая бортовая передача состояла из пары цилиндрических коррегированных шестерен с большим передаточным числом (5,308) с подшипниками, не требовавшими регулировки, размещенной в штампованном толстостенном картере, прикрепленном болтами к бортовым листам передней части корпуса танка. С помощью самоподжимных автомобильных сальников было усилено уплотнение выходных валов в целях повышения герметичности, важной для плавающей машины и явно недостаточной на Т-38 с его примитивными фетровыми уплотнениями. Подобные бортовые передачи принципиально не видоизменялись долгие годы и ставились на целой серии последующих легких гусеничных машин. Все соединения валов трансмиссии выполнялись с помощью зубчатых муфт, достаточно надежных при правильной центровке.

Танк Т-40. Судя по проставленным значениям толщины брони, снимок сделан немцами на Куммерсдорфском полигоне.

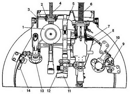
Установка вооружения:
1 — магазин пулемета ДТ, 2 — шаровая установка, 3 — маска, 4 — пулемет ДТ, 5 — оптический прицел ТМФП, 6 — пулемет ДШК, 7 — рукоятка перезаряжания, 8 — ремень рукоятки, 9 — рычажок выключения поворотного механизма, 10 — поворотный механизм башни, 11—налобник, 12 — маховичок, 13 — подъемный механизм маски, 14 — рукоятка стопора башни.
Заново для 010 создавалась и ходовая часть — именно она вызывала наибольшие нарекания на Т-38 с его ненадежной и быстро изнашиваемой пружинно-балансирной подвеской. Опыт эксплуатации своих машин и испытания различных вариантов их подвесок, изучение последних достижений быстроходной гусеничной техники и рекомендации ученых Военной академии механизации и моторизации РККА имени Сталина привели завод № 37 к выбору для нового танка индивидуальной 4-катковой подвески на продольных балансирах с поперечными стержневыми торсионами длиной 1745 мм. Эта малораспространенная в то время схема оказалась очень эффективной и перспективной, к тому же легкой, энергоемкой и хорошо защищенной. Торсионная подвеска была опробована в 1938 — 1939 годах на экспериментальных вариантах Т-37А, Т-38 и тягача «Пионер». Имевшие место поломки торсионов из-за высоких напряжений кручения (до 7500 кгс/см²) и конструктивных недоработок удалось со временем ликвидировать подбором подходящих материалов, в частности, стали 60С2, тщательной доводкой конструкции и особенно технологии. Следует отметить, что в это время в отечественном танкостроении торсионные подвески разрабатывали только на Кировском заводе в Ленинграде для своих сверхтяжелых машин. К сожалению, короткая база 010-го и малое трение в опорах балансиров вызывали сильное раскачивание танка на ходу, ликвидировать которое наиболее эффективно могли только гасители колебаний — амортизаторы. Попытка применить самые мощные для того времени гидравлические автомобильные от ЗИС-101 не дали нужных результатов — для танка они были слабы, работали ненадежно, и к тому же из-за нехватки этих узлов для собственных нужд Московский автозавод имени Сталина (ЗИС) отказался их поставлять, выделив комплекты только для двух машин. Самодельные фрикционные амортизаторы работали еще хуже и быстро изнашивались. На двух образцах опытной модификации танка 010 попробовали вернуться к старой рессорно-балансирной подвеске от «Комсомольца», где гашению колебаний способствовало большое трение в листах рессор. Но неудовлетворительная характеристика этой подвески и поломки в результате возросшей массы машины заставили от нее отказаться раз и навсегда. Был найден компромиссный, но оказавшийся вполне приемлемым ход: повышенная жесткость торсионов крайних катков при умеренной жесткости средних (диаметры их соответственно 32 и 28 мм), что снизило продольное раскачивание машины, хотя и не устранило его полностью. И это решение оказалось долгоживущим — оно выручало разработчиков подвесок для легких гусеничных машин вплоть до 50-х годов, когда наконец появились работоспособные и мощные специальные танковые гидроамортизаторы.
Прочитали книгу? Предлагаем вам поделится своим впечатлением! Ваш отзыв будет полезен читателям, которые еще только собираются познакомиться с произведением.
Уважаемые читатели, слушатели и просто посетители нашей библиотеки! Просим Вас придерживаться определенных правил при комментировании литературных произведений.
Просьба отказаться от дискриминационных высказываний. Мы защищаем право наших читателей свободно выражать свою точку зрения. Вместе с тем мы не терпим агрессии. На сайте запрещено оставлять комментарий, который содержит унизительные высказывания или призывы к насилию по отношению к отдельным лицам или группам людей на основании их расы, этнического происхождения, вероисповедания, недееспособности, пола, возраста, статуса ветерана, касты или сексуальной ориентации. Просьба отказаться от оскорблений, угроз и запугиваний. Просьба отказаться от нецензурной лексики. Просьба вести себя максимально корректно как по отношению к авторам, так и по отношению к другим читателям и их комментариям.
Надеемся на Ваше понимание и благоразумие. С уважением, администратор My-Books.me.
Оставить комментарий
-
Александра15 январь 09:37
Очень интересная книга! Особенно, если любишь психологию и хочешь понимать себя и других. Обязательно послушаю до конца. Спасибо....
Кригер Борис – Гнев
-
Галина25 май 13:02
Очень уважаю Артема Шейнина, книга замечательная, очень мне близкая по духу.Перечитываю уже второй раз, столько пережитого и не...
Мне повезло вернуться - Артем Шейнин
-
Екатерина11 январь 08:05
Доброе утро. Подскажите пожалуйста как сохранять книги, ставить закладки?...
Подонок - Анастасия Леманн