Heinkel Не 100 - Сергей В. Иванов
Книгу Heinkel Не 100 - Сергей В. Иванов читаем онлайн бесплатно и без регистрации! Читать онлайн вы можете не только на компьютере, но и на андроид (Android), iPhone и iPad. Наслаждайтесь!
134 0 17:35, 25-05-2019Книга Heinkel Не 100 - Сергей В. Иванов читать онлайн бесплатно без регистрации

Схема самолета Heinkel Не-100VI, сделанная на основании оригинальных заводских чертежей.

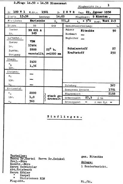
Копия рапорта по облету прототипа Не-100VI и рапорт о втором полете Не-100VI.

Фотография первого прототипа Не-100VI, сделанная на аэродроме Росток-Мариенех, на берегу реки Варнов, в 1938 году.
Несмотря на эти разногласия, внутри конструкторской группы, работы шли полным ходом, и уже к концу 1937 года первый прототип истребителя обрел реальные черты. Планировалось, что его облет состоится не позднее чем в первый месяц следующего года. Р. 1035, получил нетипичную систему охлаждения (поверхностно-испарительную) -совершенно иную, чем на современных ему истребителях. Впервые такую методику Хейнкель применил на своем Не-119, однако это был самолет гораздо больших размеров и там такая система полностью экзамен не выдержала (кроме поверхностного охлаждения дополнительно пришлось использовать традиционный радиатор, размещенный под фюзеляжем, вообще этот самолет не принадлежал к числу очень удачных и после постройки четырех прототипов дальнейшие работы над ним были прекращены). Однако предполагалось, что на новом истребителе она будет работать без замечаний. Здесь была применена разработанная Вальтером Гюнтером система поверхностной конденсации, состоявшая из размещенных в крыльях системы трубок (из алюминия) и насосов, образующих замкнутую систему охлаждения. Согласно данным книги Вильяма Грина «The Annals of the He 100», охлаждающая жидкость состояла исключительно из масла и метилового спирта, Ганс Петер Дамбровский считает, что, использовалась вода с додавлением метилового спирта и очень небольшого количества масла. В соответствие с советскими данными по испытаниям Не 100 V6 хладагентом являлась вода (61,5%), глицерин (35%) и небольшое количество метилового спирта (?) – (3,5%). Так как в системе охлаждения было повышенное давление, то охлаждающая жидкость кипела при температуре 110-130°С. После поступления хладагента из двигателя в крылья происходило ее резкое расширение, что приводило к ее переходу в парообразное состояние. В крыльях пар охлаждался и конденсировался. В рамках замкнутого цикла охлаждающая жидкость возвращалась назад в двигатель, после чего весь процесс повторялся снова. Работа системы оказалось возможным благодаря модификации, разработанной специально для этой цели инженерами, работающими в специальном исследовательском отделе фирмы Хейнкеля. (В состав этой группы входили инженеры Jahn, Jahnke, Moser, Kraft, Siebenlist. Шефом отдела являлся Dr. Matthaes). Они разместили в крыльях 22 маленьких вспомогательных насоса, задачей которых было возвращение сконденсировавшегося пара в двигатель. Каждой работающей помпе отвечала небольшая сигнальная лампочка на правой боковой панели в кабине. Когда одна из 22 лампочек гасла, это означало, что данная помпа перестала работать (произошла ее авария). Поверхностное охлаждение было, несомненно, совершенно новаторским решением, но как показало время не до конца доработанным. Но оно не было единственной новинкой в конструкции Р. 1035. Так же удивительным было то, что двигатель, в отличие от практически всех других самолетов не имел традиционной моторной рамы. Вместо нее использовалась рама, образованная несущими балками фюзеляжа, которые собственно и играли роль моторамы. Это позволило добиться значительно более совершенного с точки зрения аэродинамики силуэта самолета.

Фотография первого прототипа Не-100VI, сделанная на аэродроме Росток-Мариенех, в 1938 году.

Не 100VI

Не 100V2

Не 100 V3
Ставилась также и цель уменьшить количество деталей самолета и упростить технологию будущего серийного производства. Можно даже рискнуть утверждать, что это был первый самолет – собираемый на конвейере из уже готовых узлов. Как будто этого было мало, для изготовления Р. 1035, впервые в мире, была применена совершенно новая, до этого еще не применявшаяся, методика клепки – так называемая «взрывная» или «детонационная» (заклепки впрессовывались в данный элемент конструкции при помощи силы небольшого «взрыва» вызываемом электричеством). Методика «взрывной» или «детонационной» клепки долгое время хранилась Хейнкелем и RLM в глубокой тайне. Только в 1940 году этот патент был продан американцам (естественно за соответствующую цену). В ходе такой клепки не требовалось, как ранее, подвергать соединяемые заклепками элементы высокому давлению, кроме того, можно было организовать доступ к местам, в которых классическая клепка была невозможна. В конце ноября 1936 года работы над первым прототипом были окончены, в связи, с чем Хейнкель решил, что, наконец, наступил подходящий момент, для того чтобы о новом истребителе были проинформированы RLM и Luftwaffe.

Второй прототип Не-100V2 (Werk Nummer 1902, регистрационный код «D-IOUS»), на аэродроме Росток-Мариенех, весна 1938 года.

Заводской чертеж второго прототипа Не-100V2.
Уже традиционно первой особой, которая была проинформирована о новом самолете, стал шеф технического бюро RLM – генерал-майор Эрнст Удет. Это была обычная практика Хейнкеля – Удет был его приятелем и уже не раз выступал в роли неофициального посредника в его контактах с RLM. Так было и на этот раз. Удет очень подробно ознакомился с проектом Р. 1035, а также получил возможность увидеть собственными глазами уже практически законченный планер нового самолета. В своих воспоминаниях Эрнст Хейнкель утверждал, что впечатление, которое оказал этот самолет на Удета, было ошеломляющим. Он был им восхищен и якобы даже пообещал своему приятелю, что сделает все, что в его власти, чтобы этот самолет стал преемником Bf-109. Как обстояло дело в действительности, этого мы уже никогда не узнаем. Однако фактом является то, что Хейнкель был практически уверен, что Р. 1035 станет следующим серийным истребителем Luftwaffe. Во всяком случае, уже в начале 1937 года Technisches Amt RLM выпустил требования к будущему приемнику Bf- 109. Следующим шагом стала официальная презентация проекта. Хейнкель передал в RLM полную документацию, задекларировав предполагаемый срок окончания первого и второго прототипа, привел подробную спецификацию расходов. 15 ноября 1937 года во время визита чиновников министерства на его фирму Хейнкель обязался, что первый прототип будет готов к полету не позднее, чем 15 января 1938 года. Но как оказалось уже очень скоро, министерство не «упало на колени» перед новым самолетом. Боле того появились сомнения, будет ли в состоянии самолет, в котором использовано так много не опробованных еще на практике решений, удовлетворить поставленным перед ним требованиям.
Прочитали книгу? Предлагаем вам поделится своим впечатлением! Ваш отзыв будет полезен читателям, которые еще только собираются познакомиться с произведением.
Уважаемые читатели, слушатели и просто посетители нашей библиотеки! Просим Вас придерживаться определенных правил при комментировании литературных произведений.
Просьба отказаться от дискриминационных высказываний. Мы защищаем право наших читателей свободно выражать свою точку зрения. Вместе с тем мы не терпим агрессии. На сайте запрещено оставлять комментарий, который содержит унизительные высказывания или призывы к насилию по отношению к отдельным лицам или группам людей на основании их расы, этнического происхождения, вероисповедания, недееспособности, пола, возраста, статуса ветерана, касты или сексуальной ориентации. Просьба отказаться от оскорблений, угроз и запугиваний. Просьба отказаться от нецензурной лексики. Просьба вести себя максимально корректно как по отношению к авторам, так и по отношению к другим читателям и их комментариям.
Надеемся на Ваше понимание и благоразумие. С уважением, администратор My-Books.me.
Оставить комментарий
-
Александра15 январь 09:37
Очень интересная книга! Особенно, если любишь психологию и хочешь понимать себя и других. Обязательно послушаю до конца. Спасибо....
Кригер Борис – Гнев
-
Галина25 май 13:02
Очень уважаю Артема Шейнина, книга замечательная, очень мне близкая по духу.Перечитываю уже второй раз, столько пережитого и не...
Мне повезло вернуться - Артем Шейнин
-
Екатерина11 январь 08:05
Доброе утро. Подскажите пожалуйста как сохранять книги, ставить закладки?...
Подонок - Анастасия Леманн