Р-51 Mustang – техническое описание и боевое применение - Сергей В. Иванов
Книгу Р-51 Mustang – техническое описание и боевое применение - Сергей В. Иванов читаем онлайн бесплатно и без регистрации! Читать онлайн вы можете не только на компьютере, но и на андроид (Android), iPhone и iPad. Наслаждайтесь!
107 0 17:18, 25-05-2019Книга Р-51 Mustang – техническое описание и боевое применение - Сергей В. Иванов читать онлайн бесплатно без регистрации

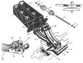
Пушки М-2 калибра 20 мм, установленные в крыле Р-51.
Пилотажно-навигационные приборы. Самолеты с двигателем «Аллисон» оснащались: хронометром, акселерометром, альтиметром, курвиметром, гирокомпасом, спидометром, поперечным инклинометром, вариометром и магнитным компасом. Работу двигателя контролировали вакуумный манометр, указатель давления во впускном тракте, тахометр, указатели температуры охлаждающей жидкости и масла. Имелись указатели уровня топлива и масла. Прочие приборы: указатель расхода кислорода в дыхательном приборе, указатель давления в гидравлической системе и амперметр.
Самолеты с двигателем «Мерлин» комплектовались следующими приборами: спидометр, буссолью, гироскопическим указателем курса, хронометром, вариометром, акселерометром, альтиметром. Контроль за двигателем: вакуумный манометр, указатель давления во впускном тракте, указатель температуры охлаждающей жидкости, тахометр, указатель температуры воздуха, подаваемого в карбюратор. Прочие приборы: указатель давления в кислородной системе, указатель давления в гидравлической системе, амперметр.
Электрическое оборудование. На самолетах с двигателем «Аллисон»: 24-вольтное, постоянное напряжение, одножильная проводка. Запитывалась от аккумулятора и генератора. Аккумулятор находился за креслом пилота. Потребители: система зажигания, механизм управления шагом винта, топливные насосы, приборы, радиостанция, ходовые огни, спуск пулеметов, подсветка прицела, система сброса бомб и подвесных баков. На самолетах с двигателем «Мерлин» напряжение в сети 24 В поддерживалось с помощью 28-вольтового 100-амперного генератора. В случае падения напряжения на генераторе ниже 26,5 В, подключался 24-вольтный аккумулятор емкостью 34 Ач. Первоначально аккумулятор находился за креслом пилота, позднее его перенесли в двигательное отделение. Дополнительно самолет оснащался генератором переменного тока (26 В, 400 Гц) для запитывания буссоли. К бортовой сети подключался автомат управления наддувом, автомат управления системой охлаждения, стартер, бензонасосы, спуск пулеметов, замки бомб, подогрев кабины пилота, радио- и осветительная аппаратура. Наружное освещение состояло из позиционных огней и посадочных прожекторов, установленных в передней кромке крыльев.
Кислородная аппаратура на самолетах с двигателем «Аллисон» состояла из двух баллонов D-2, установленных в хвостовой части фюзеляжа, а также регулятора А-9А. На самолетах P-51D стояли два баллона D-2 и два F-2, а также регулятор AN6004 или А-12.
Дополнительное оснащение. Самолет оснащался полным комплектом навигационного оборудования, а также приборами, контролирующими работу двигателя. Кроме того, на приборной доске стоял прицел К-9 или гироскопический прицел К-14. На капоте двигателя имелся аварийный механический прицел. Кнопка спуска пулеметов и сброса — бомб находилась на ручке управления.
Радиостанция. Самолеты с двигателем «Аллисон» оснащались радиостанцией SCR-274 в состав которой входил передатчик и три приемника. Позднее появились радиостанции SCR-522, 515, 535, 695, которые стали стандартом для самолетов с двигателем «Мерлин». Радиостанция помещалась в отсеке за кабиной пилота.
Самолеты поздних серий дополнительно оснащались радиостанцией AN/ARC-3, радиомаяком AN/ARA-8 и транспондером IFF AN/AFX-6.

Патронные ящики и особенности их крепления в крыле Р-51В/С.

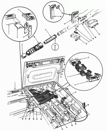
12,7-мм пулемет «Кольт-Браунинг М2».
Установка пулеметов в крыле Р-51А. Пулеметы стояли под значительным углом, чтобы облегчить подачу ленты. На левой врезке А изображено подпружиненное заднее крепление пулемета. На правой врезке С показан канал, направляющий стреляные гильзы.

Вооружение и бронирование Р-51В/С. 1. Бомбодержатель. 2. Бронеспинка кресла. 3. Фотопулемет N1 (фокусное расстояние 75 мм) или N4 (35 мм). 4. Ручка бомбосброса. 5. Противопожарная переборка. 6. Бронеплита перед расширительным баком системы охлаждения. 7. Контейнеры с 12,7-мм выстрелами. 8. Направляющие ленты внутреннего пулемета. 9. Направляющие ленты наружного пулемета. 10. Вспомогательный прицел. 11. Пулемет «Кольт-Браунинг М2» калибра 12,7 мм. 12. Кольцо вспомогательного прицела. 13. Коллиматорный прицел. 14. Спуск пулеметов тип В-5. 15. Бронированное изголовье кресла пилота.

Установка пулеметов М2 калибра 12,7 мм в крыле P-51D/K.

Три пулемета «Кольт-Браунинг М2» калибра 12,7-мм в крыле P-51D. Новое крыло позволило увеличить число пулеметов и боекомплект к ним по сравнению с Р-51В/С.

Коллиматорный прицел ZV-9 на Р-51D. Перед прицелом стоит пятислойное бронестекло толщиной 38,1 мм (1,5 дюйма).

Учебная бомба массой 227 кг (500 фунтов) на держателе под крылом P-51D.

500-фунтовая (227 кг) бомба на тележке с гидравлическим подъемником. «Мустанг» мог брать две такие бомбы.
Вооружение. Разные модификации «Мустанга» могли нести пулеметы калибра 12,7 мм, 7,62 мм (экспортные варианты) и 20-мм пушки М2. Конфигурация вооружения зависела от серии. Первые «Мустанги» с двигателем «Аллисон» несли два 12,7-мм пулемета, установленных под капотом. Пулеметы оснащались синхронизатором, позволявшим стрелять при режимах работы двигателя от 1000 до 3000 об./мин.
Прочитали книгу? Предлагаем вам поделится своим впечатлением! Ваш отзыв будет полезен читателям, которые еще только собираются познакомиться с произведением.
Уважаемые читатели, слушатели и просто посетители нашей библиотеки! Просим Вас придерживаться определенных правил при комментировании литературных произведений.
Просьба отказаться от дискриминационных высказываний. Мы защищаем право наших читателей свободно выражать свою точку зрения. Вместе с тем мы не терпим агрессии. На сайте запрещено оставлять комментарий, который содержит унизительные высказывания или призывы к насилию по отношению к отдельным лицам или группам людей на основании их расы, этнического происхождения, вероисповедания, недееспособности, пола, возраста, статуса ветерана, касты или сексуальной ориентации. Просьба отказаться от оскорблений, угроз и запугиваний. Просьба отказаться от нецензурной лексики. Просьба вести себя максимально корректно как по отношению к авторам, так и по отношению к другим читателям и их комментариям.
Надеемся на Ваше понимание и благоразумие. С уважением, администратор My-Books.me.
Оставить комментарий
-
Александра15 январь 09:37
Очень интересная книга! Особенно, если любишь психологию и хочешь понимать себя и других. Обязательно послушаю до конца. Спасибо....
Кригер Борис – Гнев
-
Галина25 май 13:02
Очень уважаю Артема Шейнина, книга замечательная, очень мне близкая по духу.Перечитываю уже второй раз, столько пережитого и не...
Мне повезло вернуться - Артем Шейнин
-
Екатерина11 январь 08:05
Доброе утро. Подскажите пожалуйста как сохранять книги, ставить закладки?...
Подонок - Анастасия Леманн