Пруссы эпохи викингов. Жизнь и быт общины Каупа - Владимир Кулаков
Книгу Пруссы эпохи викингов. Жизнь и быт общины Каупа - Владимир Кулаков читаем онлайн бесплатно и без регистрации! Читать онлайн вы можете не только на компьютере, но и на андроид (Android), iPhone и iPad. Наслаждайтесь!
250 0 23:00, 25-05-2019Книга Пруссы эпохи викингов. Жизнь и быт общины Каупа - Владимир Кулаков читать онлайн бесплатно без регистрации

Рис. 1. Расположение уроч. Кауп на племенной прусской территории

Рис. 2. План участка Малый Кауп на курганно-грунтовом могильнике Кауп (г. Зеленоградск)
В 1865 г. любознательный офицер отметил находки, сделанные местными селянами в лесу, именовавшемся Kaup (первое упоминание урочища в литературе) именно рядом с упомянутой дорогой. Среди находок были: кости людей и коней, наконечники копий, ножницы, боевой (?) топор прекрасной сохранности. 21 июня 1879 г., как свидетельствуют архивные документы, археолог и художник Иоганнес Хейдек (ставший в этом году заместителем председателя Общества по изучению древностей «Пруссия») «между Вискиаутен и Возегау по дороге» (рис. 3) раскопал часть ориентированного головой на юг конского захоронения. Согласно традициям прусского погребального обряда, конь здесь в зубах имел удила и был снабжён предметами снаряжения для верховой езды. В тот день Й. Хейдек на глуб. не более одного штыка обнаружил слой горелого грунта (нем. Brandschicht) «с кальцинированными костями, маленькими обломками урн и небольшим количеством бронзы» (Prussia-Archiv, Reg.-Nr.: PM-A552 (Kaup), Bd. 1, S. 1). Ниже, в 0,60-0,72 м от поверхности грунта находились три захоронения коней с удилами в зубах и со стременами.
Раскопки этого могильника начал в мае 1932 г. в связи со строительством проходящей здесь дороги Wosegau-Mülsen (Вишневое-Охотное) научный ассистент Музея «Пруссия» в Кёнигсберге (La Baume W., 1953, S. 278) Карл Энгель, тогда же снявший план могильника Кауп (рис. 4). Осенью 1932 г. К. Энгель вместе со шведским археологом Биргером Нерманом (рис. 5) произвёл раскопки 32 курганных насыпей могильника в уроч. Grosse Kaup (западная и центральная части лесного уроч. Кауп).
На своём плане К. Энгель особо отметил грунтовой могильник Kleine Kaup (Малый Кауп) (рис. 4), расположенный в восточной части лесного урочища. В мае 1932 г. К. Энгель открыл здесь, в Раскопе 1 несколько двухъярусных комплексов с конскими захоронениями в своих придонных частях. В 2007–2008 гг. раскопы Балтийской экспедиции ИА РАН расположились к северу от глиняного котлована (рис. 6), рядом с которым копал в 1932 г. Карл Энгель. В раскопах 2 и 3 были нами выявлены остатки кремаций, залегавшие над ямами, оставленными жилищами. В 2009–2013 гг. в западной части могильника вскрыты раскопы 4–9 площадью 114 m2. В раскопах отмечены 36 прусских погребения XI–XII вв. и два куршских захоронения (кремация и ингумация) (Кулаков, 2011. С. 87, 88). Кроме них, открыт скелет XIII в. Прусские погребения на этом могильнике имеют два яруса – на дне могилы лежал костяк коня, перекрытый остатками кремации. В некоторых могилах верхние ярусы уничтожены.
Первые работы на участке могильника Малый Кауп, проведённые в 1932 г., требуют представления развёрнутой информации. Только в 2010 г. мне удалось, работая в Берлинском архиве Музея прото– и ранней истории, найти рукописный и печатный варианты отчёта Карла Энгеля о некоторых комплексах, обнаруженных им на Раскопе 1.

Рис. 3. Эскиз конского захоронения, найденного И. Хейдеком 21 июня 1879 г. «между Вискиаутен и Возегау по дороге» (Prussia-Archiv, Reg.-Nr.: PM-A552 (Каир), Bd. 1, S. 1).

Рис. 4. Восточная часть плана могильника в уроч. Кауп, сделанного К. Энгелем в 1932 г.(Prussia-Archiv, Signatur PM-A552,Bd. 34, A-3065)

Рис. 5. Раскопки на Каупе. На первом плане: К. Энгель (слева) и Б. Нерман. Фото сделано корреспондентом газеты “Königsberger Allgemeine Zeitung" 8 сентября 1932 г. (по: Bitner-Wroblewska A., Rzeszotarska-Nowakiewicz A., Nowakiewicz T., 2011, S. 505)
Тексты сопровождались черновым и перебелённым вариантами плана Раскопа 1. Ниже приводится вводный текст этого краткого отчёта (в переводе с печатного варианта):
«Позднеязыческие погребения всадников на «Малом Каупе»
Сообщение о раскопках Др. Энгеля (подготовлено Фр. Йентш)
17–23 мая 1932 г.
При обмерах курганного могильника на Каупе на с(еверном) краю ямы для добычи глины, восточнее дороги Вискиаутен-Возегау (рис. 7), на заросшей глиняной возвышенности были обнаружены три ямы с трупосожжениями, вскрытые и уже частично переотложенные, из которых происходили одни кольчатые удила и обломок стремени, которые я (очевидно – Карл Энгель) получил в поместье Вискиаутен у старшего инспектора Бартеля.
Чтобы доследовать вскрытые погребения, на се(верном) краю глиняной ямы восточнее дороги вскрыт узкий участок (шириной) 2 м (по линии) с(евер) – ю(г) и 8 м (по линии) в(осток) – з(апад). При этом выявлено, что непосредственно под 20 см мощного дёрна (здесь) среди прочих (?) находятся позднеязыческие трупосожжения с конскими захоронениями. На узком, 2–8 м ширины участке расположены 7 различных могил, чьи ямы с сожжениями перекрывают друг друга и частично защищены каменными кладками. Под ними – конские захоронения, непосредственно неоднократно защищённые каменными кладками…» (Pr.-Mus., Inv.-Nr VII.431.12806; Prussia-Archiv, Signatur PM-A552/2). Далее краткие описания, приводимые полевым работником (реставратор и художник) Музея «Пруссия» Фридрихом Йеншем, позволяют составить исчерпывающее, приемлимое на современном методическом уровне описание первых шести комплексов, вскрытых на Малом Каупе в южной части Раскопе 1 (участок А).

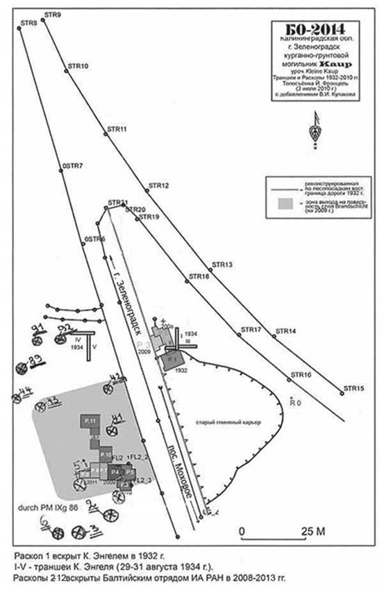
Рис. 6. Схема расположения Раскопов на грунтовом могильнике Малый Кауп

Рис. 7. Вид на участок Малый Каупс юго-востока. Фото Карла Энгеля, 1932 г. (Prussia-Archiv, Reg.-Nr.: РМ-А716).
Погр. А1 (рис. 8) – могила округлой в плане формы, диам. 0,50 м, глуб. от -0,40 до -0,60 м (реперная точка 1932 г. нам осталась неизвестной). Каменная кладка над ямой, заполненной перемешанным грунтом. На глуб. -0,2–0,4 м в ней отмечен слой с остатками сожжения. С глуб. -0,80 фиксируется конское захоронение, с которым найдены железные удила, железная пряжка, стремя. У коня сохранились нижние части костей ног и отдельные рёбра.
Прочитали книгу? Предлагаем вам поделится своим впечатлением! Ваш отзыв будет полезен читателям, которые еще только собираются познакомиться с произведением.
Уважаемые читатели, слушатели и просто посетители нашей библиотеки! Просим Вас придерживаться определенных правил при комментировании литературных произведений.
Просьба отказаться от дискриминационных высказываний. Мы защищаем право наших читателей свободно выражать свою точку зрения. Вместе с тем мы не терпим агрессии. На сайте запрещено оставлять комментарий, который содержит унизительные высказывания или призывы к насилию по отношению к отдельным лицам или группам людей на основании их расы, этнического происхождения, вероисповедания, недееспособности, пола, возраста, статуса ветерана, касты или сексуальной ориентации. Просьба отказаться от оскорблений, угроз и запугиваний. Просьба отказаться от нецензурной лексики. Просьба вести себя максимально корректно как по отношению к авторам, так и по отношению к другим читателям и их комментариям.
Надеемся на Ваше понимание и благоразумие. С уважением, администратор My-Books.me.
Оставить комментарий
-
Александра15 январь 09:37
Очень интересная книга! Особенно, если любишь психологию и хочешь понимать себя и других. Обязательно послушаю до конца. Спасибо....
Кригер Борис – Гнев
-
Галина25 май 13:02
Очень уважаю Артема Шейнина, книга замечательная, очень мне близкая по духу.Перечитываю уже второй раз, столько пережитого и не...
Мне повезло вернуться - Артем Шейнин
-
Екатерина11 январь 08:05
Доброе утро. Подскажите пожалуйста как сохранять книги, ставить закладки?...
Подонок - Анастасия Леманн