Боевые машины десанта - Михаил Барятинский
Книгу Боевые машины десанта - Михаил Барятинский читаем онлайн бесплатно и без регистрации! Читать онлайн вы можете не только на компьютере, но и на андроид (Android), iPhone и iPad. Наслаждайтесь!
166 0 14:33, 26-05-2019Книга Боевые машины десанта - Михаил Барятинский читать онлайн бесплатно без регистрации
По уже упоминавшимся данным контрольного комитета ДОВСЕ, количество БМД-3 в частях Российской армии в 1990 годы медленно, но неуклонно возрастало: с 25 в 1992 году до 89 в 1997-м.

БМД-3 во время показательных заездов, проводившихся в ходе торжеств по случаю 75-летия постройки первого российского танка. Кубинка, 31 августа 1995 года

На плаву — БМД-3, БМП-3 и БТР-80. Кубинка, 31 августа 1995 года

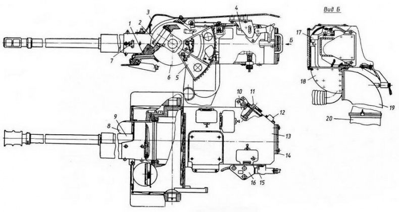
Установка пушки:
1 — рамка; 2 — обойма; 3 — чехол; 4 — концевой выключатель; 5 — сектор; 6 — маска; 1 — упор; 8 — щиток; 9 — пушка 2А42; 10 — кожух; 11 — переключатель; 12 — рычаг ручного спуска; 13 — крышка-груз; 14 — грузы; 15 — стопор; 16 — кронштейн; 17,18 — звеньеотводы; 19 — рукав; 20 — звеньесборник

Первый парад в Москве с участием БМД-3 состоялся 9 мая 1995 года
В начале 1990-х годов акционерным обществом «Волгоградский тракторный завод» на удлиненной базе боевой машины десанта БМД-3 была создана новая самоходная противотанковая пушка 2С25 «Спрут-СД».
Боевая масса 2С25 — 18 т, экипаж 3 человека. Основное вооружение — стабилизированная в двух плоскостях 125-мм гладкоствольная танковая пушка 2А75, созданная на базе 125-мм танковой пушки 2А46, с автоматом заряжания, и спаренный с ней 7,62-мм пулемет ПКТ. Боекомплект пушки — 40 выстрелов (из них 22 — в автомате заряжания) и 2000 патронов к пулемету. Скорострельность пушки 7 выстр./мин. Прицельный комплекс наводчика включает ночной и дневной прицелы с электронно-цифровым баллистическим вычислителем и лазерным дальномером со стабилизацией поля зрения в вертикальной плоскости. Прицел командира комбинированный, дневной-ночной, с лазерным дальномером, со стабилизацией поля зрения в двух плоскостях и прибором наведения на цель ТУР.
На «Спрут-СД» установлены дизельный двигатель 2В06-2С мощностью 510 л.с. и гидромеханическая трансмиссия. Подвеска индивидуальная гидропневматическая, позволяющая изменять клиренс в диапазоне от 190 до 590 мм в течение 6 — 7 с с места механика-водителя. 2С25 способна совершать марши на расстояние 500 км, может транспортироваться самолетами ВТА и десантными кораблями, десантироваться парашютным способом с экипажем внутри машины, без подготовки преодолевать водные преграды при волнении до 3 баллов с ведением стрельбы из пушки на плаву в секторе +35°, загружаться своим ходом в десантные корабли с воды после выполнения боевой задачи. Максимальная скорость движения 2С25 по шоссе — 71 км/ч, на плаву — 10 км/ч.

БМД-З после приземления на новой парашютной бесплатформенной системе БПС-950. Псковская область, 6 апреля 1996 года

Самоходная противотанковая пушка 2С25 «Спрут-СД»
В мае 2005 года в Туле на территории государственного унитарного предприятия «Конструкторское бюро приборостроения» в присутствии помощника председателя Правительства РФ Героя России В.Шаманова генеральный конструктор предприятия А.Шипунов передал командующему ВДВ России генерал-полковнику А.Колмакову первые четыре боевые машины десанта БМД-4.
БМД-4, по сути, представляет собой БМД-3 с боевым отделением «Бахча-У». «Бахча-У» — это унифицированное боевое отделение (боевой модуль) для легкобронированной техники. За основу взято боевое отделение БМП-3, только несколько изменена форма стальных экранов, усиливающих алюминиевую броню башни, по ее бокам установлены трехствольные блоки дымовых гранатометов. Несколько уменьшена масса, она может колебаться в зависимости от предназначения в пределах 3,2 — 3,98 т. Шасси же используется от БМД-3. Поскольку шасси БМП-3 и БМД-3 почти идентичны, единая башня делает их трудно отличимыми друг от друга.
Блок основного вооружения «Бахчи» включает в себя: 100-мм орудие — пусковую установку 2А70 с боекомплектом на 34 осколочно-фугасных снаряда и 4 управляемые ракеты «Аркан», 30-мм автоматическую пушку 2А72 с боекомплектом на 500 снарядов и 7,62-мм пулемет. Единый для обоих типов выстрелов автомат заряжания 100-мм орудия значительно упрощает работу экипажа и обеспечивает достаточно высокую скорострельность. Время заряжания — 4 — 6 с. Автоматическая система управления огнем БМД-4 включает прицелы командира и наводчика-оператора с лазерным и тепловизионным каналами, телетепловизионный автомат сопровождения цели и другую навигационную аппаратуру. Это позволяет эффективно поражать цели из всех видов оружия не только с места, но также на ходу и даже на плаву при волнении. Комплекс вооружения эффективно поражает как наземные, так и воздушные цели, а из 100-мм орудия можно вести огонь не только прямой наводкой, но и из закрытых огневых позиций. Неуправляемым 100-мм осколочно-фугасным снарядом можно поражать живую силу, здания и механизированные средства противника на дальности до 7 км, а танковой управляемой ракетой «Аркан» — на дистанции до 5,5 километра. 30-мм автоматическая пушка ведет огонь на 4 км осколочно-фугасным и на 2,5 км — бронебойно-подкалиберным снарядами.
Замена боевого отделения БМД-3 на новое в 2,5 раза повышает огневую мощь десантных подразделений, позволяет решать любые задачи без поддержки танков и артиллерии как в наступлении, так и в обороне.
Три из четырех первых машин, по словам командующего ВДВ А.Колмакова, поступят в дислоцирующийся в Рязани 137-й парашютно-десантный полк, где под них будут соответствующим образом оборудованы хранилища, а одна — в распоряжение Рязанского десантного училища. Пока входящий в состав 106-й воздушно-десантной дивизии рязанский полк, имеющий, кстати, в своем составе один батальон на БМД-3, не перешел на контрактную систему комплектования (этот переход запланирован на 2006 год), экипаж каждой из новых боевых машин будет состоять из трех прапорщиков.
1. Барятинский М.Б. Советская бронетанковая техника (ч.1 и 2). М., ЗАО «Моделист-конструктор», 2000.
2. Боевая машина десантная БМД-1. Техническое описание. — М., Воениздат, 1973.
3. Боевые машины десантные БМД-1П и БМД-1ПК. Техническое описание. — М., Воениздат, 1991.
4. Боевые машины десантные БМД-2 и БМД-2К. Техническое описание. — М., Воениздат, 1991.
5. Герасименко И.А., Комов И.А. Воздушно-десантная подготовка. Часть III. «Парашютно-реактивные системы и их применение». — М., Воениздат, 1989.
Прочитали книгу? Предлагаем вам поделится своим впечатлением! Ваш отзыв будет полезен читателям, которые еще только собираются познакомиться с произведением.
Уважаемые читатели, слушатели и просто посетители нашей библиотеки! Просим Вас придерживаться определенных правил при комментировании литературных произведений.
Просьба отказаться от дискриминационных высказываний. Мы защищаем право наших читателей свободно выражать свою точку зрения. Вместе с тем мы не терпим агрессии. На сайте запрещено оставлять комментарий, который содержит унизительные высказывания или призывы к насилию по отношению к отдельным лицам или группам людей на основании их расы, этнического происхождения, вероисповедания, недееспособности, пола, возраста, статуса ветерана, касты или сексуальной ориентации. Просьба отказаться от оскорблений, угроз и запугиваний. Просьба отказаться от нецензурной лексики. Просьба вести себя максимально корректно как по отношению к авторам, так и по отношению к другим читателям и их комментариям.
Надеемся на Ваше понимание и благоразумие. С уважением, администратор My-Books.me.
Оставить комментарий
-
Александра15 январь 09:37
Очень интересная книга! Особенно, если любишь психологию и хочешь понимать себя и других. Обязательно послушаю до конца. Спасибо....
Кригер Борис – Гнев
-
Галина25 май 13:02
Очень уважаю Артема Шейнина, книга замечательная, очень мне близкая по духу.Перечитываю уже второй раз, столько пережитого и не...
Мне повезло вернуться - Артем Шейнин
-
Екатерина11 январь 08:05
Доброе утро. Подскажите пожалуйста как сохранять книги, ставить закладки?...
Подонок - Анастасия Леманн