Р-51 Mustang – техническое описание и боевое применение - Сергей В. Иванов
Книгу Р-51 Mustang – техническое описание и боевое применение - Сергей В. Иванов читаем онлайн бесплатно и без регистрации! Читать онлайн вы можете не только на компьютере, но и на андроид (Android), iPhone и iPad. Наслаждайтесь!
107 0 17:18, 25-05-2019Книга Р-51 Mustang – техническое описание и боевое применение - Сергей В. Иванов читать онлайн бесплатно без регистрации

Крыло в сборе, отсутствуют только закрылки.
Война в Корее была самой большой и длительной войной после Второй Мировой в истории «Мустанга». Еще одной настоящей войной, в которой участвовали «Мустанги», была война Израиля и Египта на Синайском полуострове. Боевые действия шли в октябре-ноябре 1956 года. Истребители «Мустанг» находились на вооружении израильских ВВС. Израиль приобрел эти самолеты в период между ноябрем 1952 и июнем 1953 года. Всего было закуплено 25 машин. Это не были первые «Мустанги» в израильских военно-воздушных силах. В 1948 году в Израиль попало четыре машины в разобранном состоянии. Вероятнее всего они происходили из американских резервов, остававшихся в Европе. Еврейские механики с большим трудом сумели смонтировать машины. Самолетам присвоили серийные номера 40…43 и включили в состав 101-й эскадрильи. В конце 1948 года на одном из «Мустангов» удалось сбить «Москито» Королевских ВВС. В начале 1949 года «Мустанг» 101-й эскадрильи сбил «Фиат G.55» ВВС Египта. После завершения так называемой войны за «независимость» «Мустанги» использовались для совершенствования пилотами мастерства, а также летали в составе отряда воздушной акробатики. Во время одного из выступлений столкнулись две машины. Самолеты разбились, а их пилоты погибли.
Купленные у Швеции истребители i одновременно на запчасти Израиль приобрел 15 или 20 фюзеляжей в Италии со склада демилитаризации), как уже говорилось выше, участвовали в боях на Синайском полуострове. Самолеты находились на вооружении одной эскадрильи ВВС Израиля. Несколько машин передали в учебные части. Главной задачей эскадрильи была непосредственная поддержка наступающих частей. Во время одного из таких полетов, самолет зацепил за линию телеграфных проводов. На базу самолет вернулся, таща на себе 25 метров телефонного кабеля. В ходе кампании эскадрилья понесла тяжелые потери. Это заставило после заключения мира снять «Мустанги» с вооружения. В учебных частях самолеты продолжали применяться до 1958 года.

Топливные баки, окруженные слоем протектора в крыле P-51D/R. Баки имели вместимость 92 галлона (350 л) и выпускались специально для данной модификации фирмой «ЮС Раббер Компани» из Лос- Анджелеса, Калифорния.

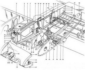
Крыло Р-51В/С в сборе. Видны панели ниш топливных баков, щитки стоек шасси и крышки колесных ниш.

Работники «Норт Американ» устанавливают на крыло гидравлику. Крыло самолета Р- 51D/Kуже почти полностью собрано, видны выпущенные закрылки. Амортизатор стойки шасси в нижней мертвой точке.
Дольше всего в строю «Мустанги» оставались в Южной Америке. В Латинскую Америку самолеты попали в рамках Межамериканского пакта взаимопомощи, подписанного в Рио в 1947 году. Уже в сентябре того года Куба получила несколько «Мустангов». Самолеты этой партии находились на вооружении кубинских ВВС десять лет. Возможно, эти самолеты какое-то время летали уже при Фиделе Кастро, вместе с тремя P-51D-30, угнанными из Флориды в конце 1958 года. Но об активном применении эти самолетов не могло быть и речи, так как к ним не было запасных частей.
Тем временем «Мустанги» получил Уругвай. 25 самолетов применялись вплоть до 1958 года. Шесть из них позднее продали Боливии, где они летали до 1977 года. Эти самолеты использовались в 1966/67 гг. в ходе ликвидации партизанского отряда Че Гевары. Была даже разработана специальная тактика, получившая название COIN (COunter INsurgency). Были даже созданы специальные COIN-самолеты, отличавшиеся простотой и дешевизной, что было особенно важно в условиях латиноамериканской нищеты.

Выпущенный закрылок на P-51D, вид сзади. На снимок попал и фрагмент элерона с триммером. Этот летающий экземпляр сохранился в коллекции музея Даксфорда, Великобритания.
Больше всего «Мустангов» оказалось в Доминиканской республике. ВВС этого небольшого государства располагали 48 самолетами F-51, в том числе 42, полученных из Швеции. Самолеты находились на вооружении до 1984 года, когда их заменили реактивными самолетами «Сессна А-37В». Боевое применение «Мустанги» имели в ходе гражданской войны 1965 года. «Мустанги» нанесли удар по скоплению повстанцев. Повстанцы защищались довольно хитроумно. Они выложили улицы города зеркалами, которые должны были слепить пилотов. Об эффективности такого средства ПВО источники почему-то умалчивают.
Последней латиноамериканской страной, обзаведшейся «Мустангами», был Сальвадор. Эти самолеты участвовали в так называемой «футбольной войне» между Гондурасом и Сальвадором. Война началась из-за футбольного мяча, которым играли между собой сборные обеих стран.
Истребители «Мустанг», начиная от первых Р-51А и заканчивая последними «Кавальер P-51D», были хорошими машинами. Впечатляет и срок службы этих самолетов. Последние из них сняли с вооружения лишь в 1984 году. «Мустанги» пережили свою эпоху, долгое время соседствуя с реактивными самолетами. Это свидетельствует как об удачной конструкции самолета, так и о заложенном в нем гигантском потенциале.

Аэродинамические тормоза А-36А и механизм их выпуска.

Конструкция закрылка Р-51В/С. Такой же закрылок использовался и на P-51D.

Район 75-й нервюры с узлом крепления стойки шасси и станками пулеметов.

Конструкция элерона и триммера Р-51В/С.
Прочитали книгу? Предлагаем вам поделится своим впечатлением! Ваш отзыв будет полезен читателям, которые еще только собираются познакомиться с произведением.
Уважаемые читатели, слушатели и просто посетители нашей библиотеки! Просим Вас придерживаться определенных правил при комментировании литературных произведений.
Просьба отказаться от дискриминационных высказываний. Мы защищаем право наших читателей свободно выражать свою точку зрения. Вместе с тем мы не терпим агрессии. На сайте запрещено оставлять комментарий, который содержит унизительные высказывания или призывы к насилию по отношению к отдельным лицам или группам людей на основании их расы, этнического происхождения, вероисповедания, недееспособности, пола, возраста, статуса ветерана, касты или сексуальной ориентации. Просьба отказаться от оскорблений, угроз и запугиваний. Просьба отказаться от нецензурной лексики. Просьба вести себя максимально корректно как по отношению к авторам, так и по отношению к другим читателям и их комментариям.
Надеемся на Ваше понимание и благоразумие. С уважением, администратор My-Books.me.
Оставить комментарий
-
Александра15 январь 09:37
Очень интересная книга! Особенно, если любишь психологию и хочешь понимать себя и других. Обязательно послушаю до конца. Спасибо....
Кригер Борис – Гнев
-
Галина25 май 13:02
Очень уважаю Артема Шейнина, книга замечательная, очень мне близкая по духу.Перечитываю уже второй раз, столько пережитого и не...
Мне повезло вернуться - Артем Шейнин
-
Екатерина11 январь 08:05
Доброе утро. Подскажите пожалуйста как сохранять книги, ставить закладки?...
Подонок - Анастасия Леманн