Focke Wulf FW190 A/F/G. Часть 2 - Сергей В. Иванов
Книгу Focke Wulf FW190 A/F/G. Часть 2 - Сергей В. Иванов читаем онлайн бесплатно и без регистрации! Читать онлайн вы можете не только на компьютере, но и на андроид (Android), iPhone и iPad. Наслаждайтесь!
157 0 16:39, 25-05-2019Книга Focke Wulf FW190 A/F/G. Часть 2 - Сергей В. Иванов читать онлайн бесплатно без регистрации

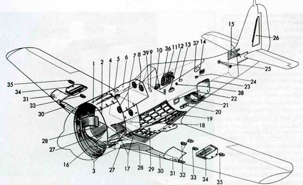
Расположение эксплуатационных люков и крышек ни планере А-8 и А-9. 1. Верхняя крышка капота. 2. Боковые крышки капота. 3. Нижние крышки капота. 4. Крышка горловины переднего топливного бака. 5. Лючок замка крышки пулеметного отсека. 6. Крышки пулеметного отсека. 7. Лючки к педалям управления. 8. Лючки демонтажа пулеметов. 9. Защелка блокиратора ручки газа. 10. Крышка горловины заднего топливного бака. 11. Крышка багажники. 12. Крышки над кринами баллонов с кислородом и сжатым воздухом. 13. Заглубленная ручка. 14. Аптечка (только на А-8, переделанных из самолетов ранних серий). 15. Пластины, прикрывающие посадочное место хвостового оперения. 16. Подвижные заслонки наша главного шасси. (Ни серийных А-8 и А-9 отсутствовали) 17. Лючки отсека боеприпасов. 18. Задние крышки капота двигателя с подвижными жалюзи. 19. Крышка главных топливных баков. 20. Крышка желобка с проводкой бомбодержателя ЕТС 501. 21. Лючок доступа к МИ' 50. 22. Потайная ступенька. 23. Лючок доступа к оборудованию в хвостовой части фюзеляжа. 24. Наружный разъем бортовой электросети. 25. Заглушки на трубе крепления хвостового оперения. 26. Лючок доступа к элементам хвостового колеса. 27. Подвижные заслонки ниш главного шасси при наличии бомбодержателя ЕТС 501. 28. Нижние элементы щитка на стойке шасси. 29. Лючка доступа к пушкам у основания крыла. 30. Верхние элементы щитка ни стойке шасси. 31. Центральный элемент передней кромки крыли. 32. Лючки доступа к механизму закрылков. 33. Лючки опорожнения гильзоприемника, а также доступа к механизму уборки шасси. 34. Люк для демонтажи пушки. 35. Лючки доступа к механизмам элеронов. 36. Люк доступа к радиостанции. 37. Крышка горловины дополнительного бензобака. 38. Пробка горловины бака пускового бензина. 39. Вентиляционный лючок кабины.

Fw 190 на стадии окончательной сборки.

Крыло в сборочном цеху.

Верхняя сторона крыла ранних Fw 190A.

Крыло в сборе (без створок ниши шасси). 1. Главный лонжерон. 2. Задний лонжерон. 3. Оконцовка крыла. 4. Внутренняя секция передней кромки. 5. Центральная секция передней кромки. 6. Наружная секция передней кромки. 7. Обшивка нижней стороны крыла. 8. Обшивка верхней стороны крыла. 9. Передний учел крепления крыли к фюзеляжу. 10. Задний узел крепления крыла к фюзеляжу. 11. Нижняя опора моторюш.
В это время в Норвегии действовала III./JG 5 «Айсмеер». 9 февраля 1945 года группа прибыла на базы Гердла и Госсен. В этот день погиб командир 12-го звена лейтенант Руди Линц (70 побед). Лейтенант на своем Fw 190A-8 (W.Nr. 723183, голубая «4») сбил «Бьюфайтер», но после этого сам был сбит. Вечером того же дня 9./JG 5 вылетело силами девяти Fw 190A-8 в район Согне-фьорда. Вел звено обер-лейтенант Вернер Гайко. В 16:08 немцы с преимуществом в высоте атаковали группировку из примерно 30 «Бьюфайтеров» и 12 «Мустангов». Немцы сбили 7 «Бьюфайтеров» и два «Мустанга», потеряв два Fw 190 и одного пилота (фельдфебеля Отто Ляйфбрида). Это был один из немногих успехов, одержанных немцами в последние месяцы войны.
14 февраля на Восточном фронте был сбит обер-лейтенант Отто Киттель, имевший 267 побед. Это произошло в момент, когда 2./JG 54 над Курляндией атаковало группу из 12 Илов-2. Киттель попал под огонь тринадцатого «Ила», который внезапно вынырнул из тучи.

Сборочная линия Fw 190А-0.

Два снимка, показывающие внутреннюю конструкцию крыла. Вверху центральная деталь главного лонжерона, внизу внутренняя сторона нижней обшивки.

Fw 190А-0 в ходе испытаний на прочность.
На Западном фронте одиночные Fw 190 пытались перехватить парашютный десант, высаженный 24 марта 1945 года на восточном берегу Рейна. Эта попытка закончилась очередным поражением. Из 30 вылетевших Fw 190A-8 и А-9 на базу вернулось только 10.
Весной сформировали штурмовой отряд Sonderkommando «Elbe», задачей которого была борьба с бомбардировщиками. Фактически, это был отряд смертников, так как в задачу пилотов входило обязательное уничтожение самолета противника, вплоть до применения тарана. Подготовкой пилотов-добровольцев руководил майор Отто Конке. 7 апреля 183 самолета отряда «Эльба» вылетели на операцию «Вервольф». Американские истребители сопровождения должны были связать боем Me 262 из JG 7 и KG(J) 54. У немцев были хорошие шансы на успех. Молодые летчики были готовы пожертвовать жизнью, а атака с близкой дистанции всегда была эффективной. Но плохо распланированная и бессмысленно проведенная операция закончилась новой катастрофой. Отряд потерял 133 самолета и 77 пилотов, сбив 25 бомбардировщиков и 4 «Мустанга».

Конструкция крыла Fw 190 V5g, бывшего прототипом для ранних серий.

Хвостовое оперение Fw 190A-0. Обратите внимание на то, что горизонтальный стабилизатор уже имеет большой размах, но еще узкую хорду.
Истребители-бомбардировщики Fw 190F и G взяли на себя часть задач, возлагаемых до того времени на самолеты Ju 87 и Bf ПО. Такие качества «Фокке-Вульфа» как прочность планера, мощный двигатель воздушного охлаждения и высокие стойки шасси особенно способствовали использованию самолета в роли истребителя-бомбардировщика. Большинство Fw 190F и G действовали в составе штурмовых полков Schlachtgeschwader (SG) — в задачу которых входила непосредственная поддержка сухопутных частей на поле боя. Такие полки формировались с октября 1943 года на месте прежних полков пикирующих бомбардировщиков — Sturzkampf-geschwader (StG) — летавших на Ju 87. Главным центром формирования штурмовых полков была крупная авиабаза в Демблине. Здесь действовал учебный полк SG 152, а также некоторое время здесь же дислоцировались полки SG 1 и 2.
Прочитали книгу? Предлагаем вам поделится своим впечатлением! Ваш отзыв будет полезен читателям, которые еще только собираются познакомиться с произведением.
Уважаемые читатели, слушатели и просто посетители нашей библиотеки! Просим Вас придерживаться определенных правил при комментировании литературных произведений.
Просьба отказаться от дискриминационных высказываний. Мы защищаем право наших читателей свободно выражать свою точку зрения. Вместе с тем мы не терпим агрессии. На сайте запрещено оставлять комментарий, который содержит унизительные высказывания или призывы к насилию по отношению к отдельным лицам или группам людей на основании их расы, этнического происхождения, вероисповедания, недееспособности, пола, возраста, статуса ветерана, касты или сексуальной ориентации. Просьба отказаться от оскорблений, угроз и запугиваний. Просьба отказаться от нецензурной лексики. Просьба вести себя максимально корректно как по отношению к авторам, так и по отношению к другим читателям и их комментариям.
Надеемся на Ваше понимание и благоразумие. С уважением, администратор My-Books.me.
Оставить комментарий
-
Александра15 январь 09:37
Очень интересная книга! Особенно, если любишь психологию и хочешь понимать себя и других. Обязательно послушаю до конца. Спасибо....
Кригер Борис – Гнев
-
Галина25 май 13:02
Очень уважаю Артема Шейнина, книга замечательная, очень мне близкая по духу.Перечитываю уже второй раз, столько пережитого и не...
Мне повезло вернуться - Артем Шейнин
-
Екатерина11 январь 08:05
Доброе утро. Подскажите пожалуйста как сохранять книги, ставить закладки?...
Подонок - Анастасия Леманн