Bristol Beaufighter - Сергей В. Иванов
Книгу Bristol Beaufighter - Сергей В. Иванов читаем онлайн бесплатно и без регистрации! Читать онлайн вы можете не только на компьютере, но и на андроид (Android), iPhone и iPad. Наслаждайтесь!
130 0 17:29, 25-05-2019Книга Bristol Beaufighter - Сергей В. Иванов читать онлайн бесплатно без регистрации

Beaufighter Mk V первый прототип с турелью Boulton-Paul

Beaufighter Mk VIF ранних серий

Beaufighter Mk VIF с радаром ASV

Beaufighter Mk VIF с радаром Al Mk IV

Компоновочная схема Beaufighter Mk VIC Размещение радиооборудования в хвосте фюзеляжа

Beaufighter Mk VIF одна из первых машин с радаром Al Mk VIII

Beaufighter Mk VIF средних серий

Двигатель Hercules VI, установленный на «Бьюфаитере» Mk V1C

Хвостовой эвакуационный люк Mk IC/F и Mk VIC/F

Кресло пилота Mk IC/F и Mk VIC/F

Люк наблюдателя на Mk IC/F и Mk VIC/F

Control column

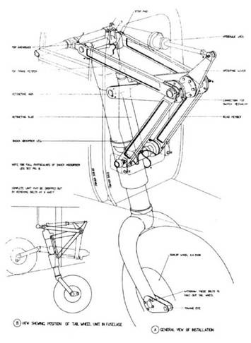
Хвостовая стойка шасси

Стойка основного шасси

Конструкция ниши основного шасси

Установка пушек, вид с патронными ящиками и без

Установка пулеметов в крыле

Конструкция крыла TF Mk X

Конструкция хвостовой части фюзеляжа TF Mk X

Конструкция стабилизатора TF Mk X

Подвесной
топливный бак TF Mk X

Размещение пушек и пулеметов на TF Mk X

Размещение пушек на TF Mk X

Подвеска торпеды под TF Mk X

Брезентовые чехлы, использовавшиеся на всех модификациях "Бофайтеров"

«Бьюфайтер» Mk. VI (вероятно V9442) на аэродроме Департамента но испытаниям самолетов и вооружения (A&AEE) в Боскомб Даун. На заднем плане виден истребитель «Спитфайр» Mk.IX.

Экипаж этого «Бьюфайтера» служил в 416-й эскадрилье ночных истребителей ВВС США. На носу самолета белыми буквами было нанесено его имя – «OLE JOHN CONNELL» – и изображен персонаж мультфильма.

Шесть «Бьюфайтеров» ВВС США на стоянке аэродрома Ла Beлон на юге Франции. Самолеты принадлежали 415-й или 417-й эскадрилье ночных истребителей. «Бью» делили этот аэродром с истребителями Локхид Р-38, бомбардировщиками Норт Америкэн В-25 и Дуглас А-20, а также «Мэрилендами» ВВС Франции.

Техник готовится вытащить башмак из-под колеса «Бьюфайтера» Mk.IVF 76-й эскадрильи, Индия 1943 год.

На борту этого «Бьюфайтера» Mk. VI (ММ934) из 414-й эскадрильи ночных истребителей 12-ой Воздушной Армии ВВС США, позади кабины пилота, изображена черная пантера. Американцы использовали «Бьюфайтеры» в качестве ночных истребителей на Средиземноморском ТВД.
Прочитали книгу? Предлагаем вам поделится своим впечатлением! Ваш отзыв будет полезен читателям, которые еще только собираются познакомиться с произведением.
Уважаемые читатели, слушатели и просто посетители нашей библиотеки! Просим Вас придерживаться определенных правил при комментировании литературных произведений.
Просьба отказаться от дискриминационных высказываний. Мы защищаем право наших читателей свободно выражать свою точку зрения. Вместе с тем мы не терпим агрессии. На сайте запрещено оставлять комментарий, который содержит унизительные высказывания или призывы к насилию по отношению к отдельным лицам или группам людей на основании их расы, этнического происхождения, вероисповедания, недееспособности, пола, возраста, статуса ветерана, касты или сексуальной ориентации. Просьба отказаться от оскорблений, угроз и запугиваний. Просьба отказаться от нецензурной лексики. Просьба вести себя максимально корректно как по отношению к авторам, так и по отношению к другим читателям и их комментариям.
Надеемся на Ваше понимание и благоразумие. С уважением, администратор My-Books.me.
Оставить комментарий
-
Александра15 январь 09:37
Очень интересная книга! Особенно, если любишь психологию и хочешь понимать себя и других. Обязательно послушаю до конца. Спасибо....
Кригер Борис – Гнев
-
Галина25 май 13:02
Очень уважаю Артема Шейнина, книга замечательная, очень мне близкая по духу.Перечитываю уже второй раз, столько пережитого и не...
Мне повезло вернуться - Артем Шейнин
-
Екатерина11 январь 08:05
Доброе утро. Подскажите пожалуйста как сохранять книги, ставить закладки?...
Подонок - Анастасия Леманн