Т-72. Уральская броня против НАТО - Михаил Барятинский
Книгу Т-72. Уральская броня против НАТО - Михаил Барятинский читаем онлайн бесплатно и без регистрации! Читать онлайн вы можете не только на компьютере, но и на андроид (Android), iPhone и iPad. Наслаждайтесь!
167 0 15:49, 26-05-2019Книга Т-72. Уральская броня против НАТО - Михаил Барятинский читать онлайн бесплатно без регистрации
Система смазки — циркуляционная, комбинированная. Масляный насос МЗН-2 — шестеренчатый, трехсекционный (одна секция нагнетающая и две откачивающие). Заправочная емкость системы — 65 л.
Система охлаждения — жидкостная, закрытая с принудительной циркуляцией охлаждающей жидкости и продувкой воздуха через радиаторы вентилятором. Заправочная емкость системы — 90 л. В машине установлены два аналогичных по конструкции радиатора. Радиаторы трубчато-пластинчатого типа соединены последовательно с помощью патрубков и шлангов и установлены в изолированном стеллаже крыши силового отделения совместно с масляными радиаторами. Вентилятор — центробежный, с дисковым фрикционом, изготовлен из алюминиевого сплава. Передача вращения от двигателя к вентилятору осуществляется с помощью двухскоростного привода, состоящего из повышающего редуктора, смонтированного в картере гитары, конического редуктора, фрикциона вентилятора и двух карданных передач (гитара — конический редуктор, конический редуктор — фрикцион вентилятора). Вентилятор закреплен болтами к ведомой ступице фрикциона. Для повышения КПД вентилятор помещен в специальный кожух (улитку).

Двигатель В-46. Вверху — вид со стороны носка коленчатого вала, внизу — со стороны передач.

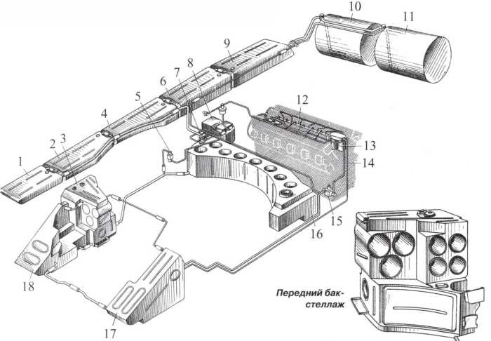
Система питания топливом: 1 — первый наружный бак; 2 — второй наружный бак; 3 — передний бак-стеллаж; 4 — третий наружный бак; 5 — топливный насос подогревателя; 6 — четвертый наружный бак; 7 — кран отключения наружных топливных баков; 8 — расширительный бачок; 9 — пятый наружный бак; 10 — правая бочка; 11 — левая бочка; 12 — топливный насос высокого давления; 13 — топливный фильтр тонкой очистки; 14 — двигатель; 15 — топливоподкачивающий насос; 16 — средний бак-стеллаж; 17 — левый носовой бак; 18 — правый носовой бак.

Дополнительные бочки и оборудование для их подключения к топливной системе.
Система подогрева предназначена для разогрева двигателя и обслуживающих его систем перед запуском. В систему подогрева входят форсуночный подогреватель, змеевики масляных баков, обогреваемые полости узлов двигателя, водяные рубашки маслозакачивающих насосов и трубопроводы.
Воздушная система танка обеспечивает запуск двигателя сжатым воздухом, очистку смотрового прибора механика-водителя от грязи и пыли, очистку входного и выходного штуцеров воздухозаборного устройства прибора ГО-27 (системы ЗОПМ) от грязи, зарядку воздушного баллона системы гидропневмоочистки прицела, работу пневматических приводов клапанов нагнетателя и клапана вентиляции на перегородке, очистку узлов внутри машины от пыли путем обдува сжатым воздухом при их обслуживании. Резервный пуск двигателя обеспечивается электрическим стартером-генератором СГ-10-1.

Крыша со стеллажом радиаторов в поднятом положении.

Выпускной патрубок и его защитный экран.
СИЛОВАЯ ПЕРЕДАЧА — механическая, с гидравлическим управлением, состоит из гитары и двух коробок передач, конструктивно объединенных с бортовыми передачами.
Гитара — шестеренчатый повышающий редуктор, передающий крутящий момент от двигателя к коробкам передач. Передаточное число гитары — 0,706.
Коробки передач — планетарные с семью передачами вперед и одной назад, с фрикционным включением и гидроуправлением. Коробки передач предназначены для изменения скорости движения и тяговых усилий на ведущих колесах, поворота и торможения машины, отключения двигателя от ведущих колес. Все эти режимы обеспечиваются включением и выключением определенных фрикционов в коробках передач.
Поворот машины осуществляется:
а) при прямолинейном движении включением в одной из коробок передачи на одну ступень ниже, чем передача прямолинейного движения, при этом машина поворачивается с определенным (расчетным) радиусом поворота; при движении на 1-й передаче или передаче заднего хода включается тормоз, поворот осуществляется с радиусом, равным ширине машины;
б) частичным выключением в одной из коробок фрикционов, которые были включены при прямолинейном движении, и частичным включением фрикционов, соответствующих передаче на одну ступень ниже.

Узел подвески: 1 — балансир; 2 — упор; 3 — амортизатор; 4 — рычаг; 5 — тяга.

Направляющее колесо и передние опорные катки (позднего типа). За опорными катками видны упоры и корпуса амортизаторов.
Бортовые передачи представляют собой одноступенчатые планетарные редукторы с постоянным передаточным числом, понижающие обороты ведомых валов коробок передач и соответственно увеличивающие крутящий момент, передаваемый к ведущим колесам гусеничного движителя. Передаточное отношение бортовой передачи — 5,454.
Ходовая часть, применительно к одному борту, состоит из шести двухскатных обрезиненных опорных катков, трех односкатных поддерживающих катков с внутренней амортизацией, ведущего колеса заднего расположения со съемными зубчатыми венцами и направляющего колеса с кривошипным механизмом натяжения гусеницы. Подвеска — индивидуальная торсионная, с гидравлическими амортизаторами на 1, 2 и 6-м опорных катках. Гусеницы мелкозвенчатые, цевочного зацепления, с резинометаллическим (PMШ) или открытым (ОМШ) шарниром. Число траков в гусенице — 96. Ширина трака — 580 мм, шаг зацепления — 137 мм. Масса гусеницы с РМШ — 1698 кг, с ОМШ — 1430 кг. При необходимости на танке Т-72 могут использоваться также гусеницы с ОМШ, применяемые на танке Т-62, с установкой специальных венцов ведущих колес. Допускается использование гусениц и с машин Т-54 и Т-55 с увеличением количества траков до 97.

Ведущее колесо и задние опорные катки.

Трак гусеницы с резинометаллическим шарниром: 1 — трак; 2 — палец; 3 — гайка; 4 — втулка; 5 — проушина цевки; 6 — грунтозацепы; 7 — ребра; 8 — гребень.
Прочитали книгу? Предлагаем вам поделится своим впечатлением! Ваш отзыв будет полезен читателям, которые еще только собираются познакомиться с произведением.
Уважаемые читатели, слушатели и просто посетители нашей библиотеки! Просим Вас придерживаться определенных правил при комментировании литературных произведений.
Просьба отказаться от дискриминационных высказываний. Мы защищаем право наших читателей свободно выражать свою точку зрения. Вместе с тем мы не терпим агрессии. На сайте запрещено оставлять комментарий, который содержит унизительные высказывания или призывы к насилию по отношению к отдельным лицам или группам людей на основании их расы, этнического происхождения, вероисповедания, недееспособности, пола, возраста, статуса ветерана, касты или сексуальной ориентации. Просьба отказаться от оскорблений, угроз и запугиваний. Просьба отказаться от нецензурной лексики. Просьба вести себя максимально корректно как по отношению к авторам, так и по отношению к другим читателям и их комментариям.
Надеемся на Ваше понимание и благоразумие. С уважением, администратор My-Books.me.
Оставить комментарий
-
Александра15 январь 09:37
Очень интересная книга! Особенно, если любишь психологию и хочешь понимать себя и других. Обязательно послушаю до конца. Спасибо....
Кригер Борис – Гнев
-
Галина25 май 13:02
Очень уважаю Артема Шейнина, книга замечательная, очень мне близкая по духу.Перечитываю уже второй раз, столько пережитого и не...
Мне повезло вернуться - Артем Шейнин
-
Екатерина11 январь 08:05
Доброе утро. Подскажите пожалуйста как сохранять книги, ставить закладки?...
Подонок - Анастасия Леманн