Ту-2 Часть 2 - Сергей В. Иванов
Книгу Ту-2 Часть 2 - Сергей В. Иванов читаем онлайн бесплатно и без регистрации! Читать онлайн вы можете не только на компьютере, но и на андроид (Android), iPhone и iPad. Наслаждайтесь!
305 0 16:43, 25-05-2019Книга Ту-2 Часть 2 - Сергей В. Иванов читать онлайн бесплатно без регистрации
Вооружение бомбардировщика подразделяется на бомбовое и стрелковое. В нормальном варианте самолет берет до 1000 кг бомб, в перегруз — до 2000 кг. В исключительных ситуациях, когда цель находится недалеко от аэродрома, самолет может брать до 3000 кг бомб ценой резкого снижения дальности полета. Бомбы подвешиваются внутри бомбового отсека и на внешней подвеске по бокам фюзеляжа. Конструкция бомбовой камеры позволяет сбрасывать бомбы, как из горизонтального, так и из пикирующего полета. Для прицеливания при горизонтальном бомбометании служит прицел ОПБ-IP или ОПБ-1Д (с 24-й серии), а при бомбометании из пикирования — прицел ПБП-1, который одновременно используется при наведении пушек.
В рамках нормальной бомбонагрузки самолет может брать:
Одну 1000-кг бомбу (ФАБ-1000, БРАВ-1000) в бомбовый отсек;
Две 500-кг бомбы (ФАБ-500, БРАБ-500) одну в бомбовый отсек, другую на внешнюю подвеску;
Четыре 250-кг бомбы, в случае ФАБ-250 две в бомбоотсек, две на внешнюю подвеску, в случае ФАБ-25 °CК — все в бомбоотсек;
Шесть бомб БРАБ-220 (четыре в бомбоотсек, две на внешнюю подвеску);
Четыре бомбы БРАБ-ДС-150 (две внутри, две снаружи);
Девять бомб ФАБ-100 в бомбоотсек.
В перегруз самолет мог нести в дополнение к бомбам в бомбоотсеке одну-две бомбы массой 250-1000 кг на внешней подвеске. Бомбы массой более 200 кг подвешивались с помощью двух ручных лебедок БЛ-4.
Стрелковое вооружение состоит из двух неподвижных пушек ШВАК калибра 20 мм и трех подвижных 12,7-мм пулеметов УБ системы Березина. Пушки установлены в центроплане у фюзеляжа и направлены вперед. Боекомплект 150 выстрелов на ствол. Спуск пушек производит пилот.
Пулемет УБТ, установленный в передней кабине, обслуживает штурман. Сектор обстрела пулемета 45° влево и вправо, 90° вверх и 10° вниз. На самолетах до 47-й серии пулемет стоял на станке БУШ-1, оснащался прицелом К-8Т и имел боекомплект 190 выстрелов. С 48-й серии начали использовать станок ВУС-1, прицел К-8Т оснастили системой стабилизации ОМП-6, а боекомплект сократили до 170 выстрелов.

Подвеска больших бомб под крыло с помощью двух лебедок БЛ-4.

Подвеска 250-кг бомб под крыло с помощью одной лебедки БЛ-4.
Пулемет УБ стрелка-радиста имел сектор обстрела 110° вправо и 105° влево, 65°-70° вверх и 15° вниз. На самолетах до 44-й серии использовался станок ВУБ-2М, а позже ВУБ-68. Прицел К-8Т или К-20Т со стабилизатором ОМП-6 или ОМП-7. На самолетах завода № 166 использовали станок ВЕУ-1 с электроприводом. Боекомплект 250 выстрелов.
Пулемет УБТ нижнего стрелка имел сектор обстрела 23° влево и вправо, 45° вниз и 1° вверх. До 49-й серии использовался станок ЛУ-Пе-2 (с самолета Пе-2), боекомплект 300 выстрелов. Потом начали использовать станок ЛУ-68, прицел ОП-2Л, а боекомплект увеличили до 350 выстрелов.
Для регистрации результатов стрельбы служили фотопулеметы ПАУ-22, устанавливаемые с 52-й серии на местах стрелков, а начиная с 57-й серии, и на месте пилота.

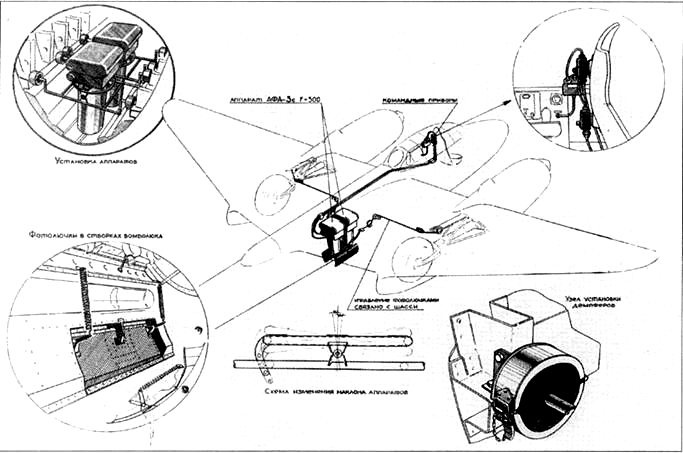
Установка фотоаппаратов АФА-ЗС
Тактико-технические данные самолетов Ту-2, полученные в ходе испытаний
| Машина | № 100308 завод № 23 | № 100716 завод № 23 | № 38/47 завод № 23 | № 04/07 завод № 166 | № 10033905 Завод № 39 | № 10053915 завод № 39 |
| Дата испытания | 13.09–28.11.42 | 04.09 — 16.12.43 | 1946 | 29.01 — 05.04.48 | 04.03 — 25.04.49 | 05.49 |
| Сухая масса, кг | 7601 | 7474 | 8404 | 8467 | ||
| Нормальная взлетная масса, кг | 10538 | 10360 | 10960 | 11030 | 11450 | 11585 |
| Макс. скорость, км/ч | 521 | 547 | 550 | 535 | 550 | 549 |
| На высоте, м | 3200 | 5400 | 5460 | 5700 | 5700 | 5500 |
| Скороподъемность на 5000 м, мин | 10,2 | 9,5 | 10,3 | 11,2 | 11 | 10,8 |
| Потолок, м | 9000 | 9500 | 9350 | 9200 | 9000 | 9000 |
| Разбег, м | 450 | 415 | 465 | 504 | ||
| Пробег, м | 545 | 675 | 875 | 500 | ||
| Дальность, км | 2020 | 2100 | 2250 | 2650 | 2180 | 1950 |
Прочитали книгу? Предлагаем вам поделится своим впечатлением! Ваш отзыв будет полезен читателям, которые еще только собираются познакомиться с произведением.
Уважаемые читатели, слушатели и просто посетители нашей библиотеки! Просим Вас придерживаться определенных правил при комментировании литературных произведений.
Просьба отказаться от дискриминационных высказываний. Мы защищаем право наших читателей свободно выражать свою точку зрения. Вместе с тем мы не терпим агрессии. На сайте запрещено оставлять комментарий, который содержит унизительные высказывания или призывы к насилию по отношению к отдельным лицам или группам людей на основании их расы, этнического происхождения, вероисповедания, недееспособности, пола, возраста, статуса ветерана, касты или сексуальной ориентации. Просьба отказаться от оскорблений, угроз и запугиваний. Просьба отказаться от нецензурной лексики. Просьба вести себя максимально корректно как по отношению к авторам, так и по отношению к другим читателям и их комментариям.
Надеемся на Ваше понимание и благоразумие. С уважением, администратор My-Books.me.
Оставить комментарий
-
Александра15 январь 09:37
Очень интересная книга! Особенно, если любишь психологию и хочешь понимать себя и других. Обязательно послушаю до конца. Спасибо....
Кригер Борис – Гнев
-
Галина25 май 13:02
Очень уважаю Артема Шейнина, книга замечательная, очень мне близкая по духу.Перечитываю уже второй раз, столько пережитого и не...
Мне повезло вернуться - Артем Шейнин
-
Екатерина11 январь 08:05
Доброе утро. Подскажите пожалуйста как сохранять книги, ставить закладки?...
Подонок - Анастасия Леманн